Общее описание
MX26631DL представляет собой промышленное решение eFuse напряжением 40 В. Устройство обеспечивает надежную защиту для всех систем и приложений с напряжением от 4,5 В до 40 В.Устройство обеспечивает управление мощностью на горячем обмене с управлением потоком нажатия и программируемым уровнем выходного напряжения
Защита от нагрузки, источника и устройства обеспечивается множеством программируемых функций, включая перенапряжение, перенапряжение и перенапряжение.Предельная точность перенапряжения помогает свести к минимуму сверх конструкции входного источника питания, в то время как защита от короткого замыкания быстрого ответа немедленно изолирует неисправную нагрузку от входного источника питания при обнаружении короткого замыкания.Устройство имеет быстрый обратный ответ блокировки токаВнутренние защитные блоки управления MX26631DL вместе с его 40В номиналом,помогает упростить конструкцию системы для соответствия промышленному перебоям, обеспечивая полную защиту нагрузки и устройства.
Применение
Промышленное применение
Серверы
Минимальное применение системы
Сетевое сотрудничество
Электрические выключатели
СТРАНИЦЫ
* Диапазон ввода от 4,5 до 40 В
* Внутренний 60В, 30mΩ Рон горяче-обменный N-канальный FET
* Обратный блокировочный ток в 0,2us
* Интегрированный датчик тока с выходом датчика
* Регулируемый предел тока от 0,6A до 6A
* Регулируемый UVLO, OVP отрезание, выходной отрезание скорость управления для ограничения впадающего тока
* Мощность Хороший выход (PGOOD)
* Ответ на сверхтокущий отказ с автоматической повторной попыткой
* Модели с поддержкой 1,5-кратного импульсного перетока

Абсолютный максимум рейтинги
| Параметр | Стоимость |
| Внутренние, внутренние, внешние, UVLO, FLT, PGOOD, PGTH | -0,3 ~ 60 В |
| IN, IN_SYS (10 мс переходный) | -0,3 ~ 65 В |
| BGATE | -0,3 ~ 65 В |
| DRV | -0,3 ~ 65 В |
| DRV - IN_SYS | -0,3 ~ 15 В |
| OVP, dVdT, IMON, MODE, SHDN, ILIM | -0,3 ~ 5,5 В |
| Температура стыка TJ | -40 до 150°C |
| Температура окружающей среды TA | -40 до 85°C |
| Температура хранения TSTG | -55 до 150°C |
| ESD ((HBM) | ± 2,0 кВ |
| Температура предварительного запоя (сварка, 10 сек) | 260°С |
Примечание: напряжения, превышающие те, которые перечислены в разделе "Абсолютные максимальные значения", могут привести к постоянному повреждению устройства.не предполагается функциональная работа устройства при этих или любых других условиях, за исключением указанных в "рекомендуемых условиях эксплуатации"Подверженность абсолютным максимальным номинальным условиям в течение длительных периодов может повлиять на надежность устройства.
Рекомендуемые условия работы
| Символ | Параметр | Диапазон |
| IN_SYS, IN |
Ввод Напряжение |
4.5 ~ 40 В |
|
ОУТ, УВЛО, ПГТГ, PGOOD, FLT |
0-40В | |
|
OVP, dVdT, IMON, MODE, SHDN |
0 ~ 5 В | |
| ILIM | Сопротивление | 5 ~ 100 кОм |
| ИМОН | ≥1kΩ | |
| IN, IN_SYS, OUT | Пропускная способность | ≥ 100nF |
| dVdT |
Задания терминала

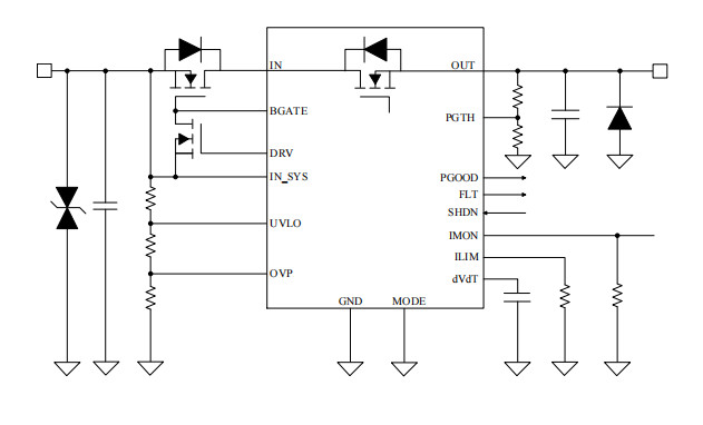
| ПИН-код No. | Имя PIN | Описание |
| 1/2 | IN | Подключись к внутреннему FET. |
| 3 | BGATE | Блокирование выхода драйвера FET. Подключение к GATE внешнего FET. Если внешний FET не используется, то оставьте пин BGATE плавающим. |
| 4 | DRV | Блокировка FET быстрого привода переключателя. Подключите DRV к ВОРУ внешнего переключателя. Оставьте этот шприц плавающим, если внешний FET не используется |
| 5 | IN_SYS | Ввод питания и напряжение питания устройства. Короткое IN_SYSto IN в случае, если блокировка FET не используется. |
| 6 | UVLO | Ввод для настройки программируемого порога UVLO. Подключите к GND штифт UVLO, чтобы выбрать внутренний порог по умолчанию. |
| 7 | ОВП | Ввод для установки программируемого порога OVP. Подключение к GND, если OVP не используется. |
| 8 | ГНД | Система заземления. |
| 9 | dVdT | Конденсатор из этого Пинто ГНД устанавливает скорость выхода напряжения. |
| 10 | ILIM | Резистор из этого Пинто ГНД устанавливает предел перегрузки и короткого замыкания. |
| 11 | МОД | Выбор режима для режима защиты ILIM с коротким штифтом. |
| 12 | SHDN | Снижение напряжения штифта SHDN заставляет устройство входить в режим отключения. |
| 13 | ИМОН | Аналоговый монитор тока. если не используется, оставьте его плавающим. |
| 14 | FLT | Индикатор неисправности. Это открытый вывод отвода. Если не используется, оставьте плавающий или подключите к GND. |
| 15 | PGTH | Ввод сравнителя PGOOD. |
|
16 |
ПОЛНО |
Активный высокий. Высокий показатель означает, что PGTH перешагнул порог VPGTHR, а внутренний драйвер высокий. PGOOD падает, когда VPGTH достигает порога VPGTHF.Если PGOOD не используется подключитесь к GND или оставьте его плавающим. |
| 17/18 | Снаружи | Выходная мощность устройства. |
| 19 ~ 24 | NC | Нет связи. |
| Силовая панель | На землю. | |