Одна муфта подшашки пути нося внешнюю муфту Backstop нося поддержки необходимую
Переливаться через край, индексируя, требуемая поддержка Backstopping внешняя нося, пандус & муфты ролика
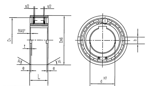
Модельное ASNU тип муфта пандуса & ролика, поддержанный не-подшипник. Необходимы, что поддерживают подшипники осевое и радиальные нагрузки. Смазка и запечатывание необходимы.
Номинальный наружный диаметр это же как шарикоподшипник серии 63.
Характеристики продукта
Одна муфта пути нося спецификации серии ASNU:
| Тип | Размеры скважины | Keyseats | Размер (mm) | Максимальн Вращающий момент (Nm) | Максимальн Overrunning Скорость (rpm) | Сопротивление после стычки (Ncm) | Чистый вес (kg) | ||||||||
| d | Dn6 | L | D5 | b | t | s | e | f | Внутренняя гонка | Наружная гонка | |||||
| ASNU8 | 8 | 2 x 1 | 35 | 13 | 13 | 4 | 1,4 | 2,4 | 0,6 | 0,3 | 9,2 | 3300 | 5000 | 1,6 | 0,07 |
| ASNU12 | 12 | 4 x 1,8 | 35 | 13 | 13 | 4 | 1,4 | 2,4 | 0,6 | 0,3 | 9,2 | 3300 | 5000 | 1,6 | 0,06 |
| ASNU15 | 15 | 5 x 1,2 | 42 | 18 | 18 | 5 | 1,8 | 2,4 | 0,8 | 0,3 | 24 | 2400 | 3600 | 1,9 | 0,11 |
| ASNU17 | 17 | 5 x 1,2 | 47 | 19 | 19 | 5 | 2,3 | 2,4 | 1,2 | 0,8 | 39 | 2300 | 3400 | 1,9 | 0,15 |
| ASNU20 | 20 | 6 x 1,6 | 52 | 21 | 21 | 6 | 2,3 | 2,4 | 1,2 | 0,8 | 62 | 2100 | 3100 | 1,9 | 0,19 |
| ASNU25 | 25 | 8 x 2 | 62 | 24 | 24 | 8 | 2,8 | 2,4 | 1,2 | 0,8 | 100 | 1700 | 2600 | 5,6 | 0,38 |
| ASNU30 | 30 | 8 x 2 | 72 | 27 | 27 | 10 | 2,5 | 2,4 | 1,8 | 1 | 204 | 1400 | 2200 | 14 | 0,54 |
| ASNU35 | 35 | 10 x 2,4 | 80 | 31 | 31 | 12 | 3,5 | 2,4 | 1,8 | 1 | 306 | 1200 | 1900 | 16 | 0,74 |
| ASNU40 | 40 | 12 x 2,2 | 90 | 33 | 33 | 12 | 4,1 | 2,5 | 1,8 | 1 | 430 | 1100 | 1700 | 38 | 0,92 |
| ASNU45 | 45 | 14 x 2,1 | 100 | 36 | 36 | 14 | 4,6 | 2,5 | 1,8 | 1 | 624 | 1000 | 1600 | 43 | 1,31 |
| ASNU50 | 50 | 14 x 2,1 | 110 | 40 | 40 | 14 | 5,6 | 2,5 | 1,8 | 1 | 810 | 850 | 1350 | 55 | 1,74 |
| ASNU60 | 60 | 18 x 2,3 | 130 | 46 | 46 | 18 | 5,5 | 3,6 | 2,6 | 1,5 | 1460 | 750 | 1050 | 110 | 2,77 |
| ASNU70 | 70 | 20 x 2,7 | 150 | 51 | 51 | 20 | 6,9 | 3,6 | 2,6 | 1,5 | 1840 | 600 | 950 | 140 | 4,16 |
| ASNU80 | 80 | 22 x 3,1 | 170 | 58 | 58 | 20 | 7,5 | 3,6 | 2,6 | 1,5 | 2620 | 550 | 850 | 180 | 6,09 |
| ASNU90 | 90 | 25 x 2,9 | 190 | 64 | 64 | 20 | 8 | 3,6 | 2,6 | 2 | 4260 | 500 | 750 | 230 | 8,2 |
| ASNU100 | 100 | 28 x 3,2 | 215 | 73 | 73 | 24 | 8,5 | 3,6 | 2,6 | 2 | 5800 | 450 | 680 | 380 | 12,6 |
| ASNU120 | 120 | 32 x 3,5 | 260 | 86 | 86 | 28 | 10 | 3,6 | 2,6 | 2,5 | 10800 | 370 | 550 | 650 | 22 |
| ASNU150 | 150 | 36 x 3,8 | 320 | 108 | 108 | 32 | 12 | 3,6 | 3,6 | 2,5 | 21300 | 300 | 460 | 1000 | 42 |
| ASNU200 | 200 | - | 420 | 138 | 138 | 45 | 16 | 7,6 | 3,6 | 3 | 35600 | 230 | 350 | 2000 | 93 |





