Муфта пути мотоцикла одного подшашки нося переливающся через край муфта FWD332211PRS
Особенности муфты стартера мотоцикла серии FWD односторонней:
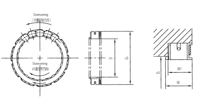
Односторонняя муфта, обыкновенно известная как переливаться через край муфта, составлена наружной гонки, внутренней гонки, клетки, заклинивает etc. когда внутренняя гонка фиксирована, поворачивая клин против часовой стрелки на наружную гонку делает не запертый, наружная гонка может вращать свободно; когда вращают наружная гонка по часовой стрелке, запирается клин, наружная гонка не может повернуть. Функция клетки держать клин всегда смотреть на запирая наружную гонку. Направление немножко склонено для того чтобы усилить запирая функцию клина.
Односторонние муфты имеют 2 формы движения:
1. Передача вращающего момента или захват (клин)
2. Бездельничать или трансцендентальность (высвобождение)
Односторонняя муфта имеет следующие функции:
A. Overrunning Муфта
Когда скорость части выходной мощности (внутреннее кольцо или наружное кольцо) односторонней муфты выше чем это из источника питания (наружного кольца) или внутреннего кольца) все еще быстро, муфта в отключенном государстве, и никакой рычаг между внутренними и наружными кольцами. Это вызвано односторонней переливаясь через край функцией односторонней муфты.
B. Индицирование Муфта
Преобразуйте линейное reciprocating движение в круговое шагая движение вращая вала, который вызван функцией индицирования односторонней муфты прибора.
C. Backstop Муфта
Польза односторонних муфт для материального транспортируя оборудования (например ленточных транспортеров, ковшовых элеваторов) etc.) предотвратить прибор от делать резервную копию или обращать когда никакой источник питания. Односторонняя функция backstop.
Основная форма:
1. Тип односторонняя муфта ролика
2. Тип односторонняя муфта клина
3. Внеконтактная односторонняя муфта
Применение:
Главным образом использованный в стартере мотоцикла.
Муфта пути мотоцикла одного подшашки нося переливающся через край спецификации PRS FWD муфты…:
| Тип | Размеры | Вращающий момент | Вес | ||||
| Внутренняя гонка | Наружная гонка | Wmin | Wmin | Dc | |||
| D +0,008/-0,005 | D0 ±0.013 | W | W1 | Tkn | |||
| [mm] | [mm] | [mm] | [mm] | [mm] | [Kgf-m] | [g] | |
| FWD331608PRS | 39,627 | 56,294 | 13,0 | 11,4 | 45 | 27 | 75 |
| FWD331808PRS | 45,665 | 62,332 | 13,3 | 11,7 | 51 | 35 | 85 |
| FWD332008PRS | 51,710 | 68,377 | 13,3 | 11,7 | 57 | 45 | 94 |
| FWD332211PRS | 57,760 | 74,427 | 16,3 | 14,7 | 63 | 78 | 139 |
Примечание:
1) Противоположное переливаясь через край направление должно быть приказано отдельно.





