КАК одна муфта пути нося внешнюю муфту Backstop нося поддержки необходимую
Переливаться через край, индексируя, требуемая поддержка Backstopping внешняя нося, пандус & муфты ролика
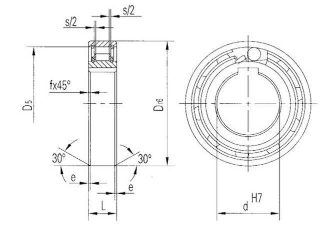
Модельн КАК тип муфта пандуса & ролика, поддержанный не-подшипник. Необходимы, что поддерживают подшипники осевое и радиальные нагрузки. Смазка и запечатывание необходимы. Номинальны вне размеров эти же как серии 62 шарикоподшипника. Типичное расположение установить этот тип наряду с серией 62 нося, в пределах таких же допусков положения. Пользуются ключом внутренняя гонка к валу (за исключением размера скважина 6 mm).
Наружная гонка имеет положительный допуск r6 для того чтобы дать пригонку прессы в снабжении жилищем H7. Наружное снабжение жилищем должно быть сильно достаточно не расширить после собрания. Этот дизайн может признавать осевое рассогласование внутренней и наружной гонки ± S/2. Эти муфты масло окунули на фабрике но должны быть заполнены к свойственному уровню перед деятельностью. Эта муфта конструирована для смазки масла. Для смазки тавота, уменьшите максимальную переливаясь через край скорость до 50% из перечисленного значения.
Типичное устанавливая расположение
КАК муфту необходимо установить за подшипниками для того чтобы обеспечить концентричность и поддержать все осевое и радиальные нагрузки. Смазка масла или тавота необходимо предусмотреть, что вместе с уплотнениями сохранила смазку.
Спецификации:
| Тип | Размеры скважины | Keyseats | Размер (mm) | Максимальн Вращающий момент (Nm) | Максимальн Overrunning Скорость (rpm) | Сопротивление после стычки (Ncm) | Чистый вес (kg) | ||||||
| d | Dr6 | D5 | L | s | e | f | Внутренняя гонка | Наружная гонка | |||||
| AS6 | 6 | Никакие | 19 | 15,8 | 6 | 0,8 | 0,6 | 0,3 | 1,7 | 5000 | 7500 | 0,18 | 0,01 |
| AS8 | 8 | 2 x 1 | 24 | 20 | 8 | 1,3 | 0,6 | 0,6 | 3,0 | 4300 | 6500 | 0,24 | 0,02 |
| AS10 | 10 | 3 x 1,4 | 30 | 25,9 | 9 | 1,3 | 0,6 | 0,6 | 5,4 | 3500 | 5200 | 0,36 | 0,03 |
| AS12 | 12 | 4 x 1,8 | 32 | 28 | 10 | 1,3 | 0,6 | 0,6 | 10,0 | 3200 | 4800 | 0,48 | 0,04 |
| AS15 | 15 | 5 x 1,2 | 35 | 31 | 11 | 1,4 | 0,6 | 0,6 | 11,0 | 2800 | 4300 | 0,7 | 0,05 |
| AS20 | 20 | 6 x 1,6 | 47 | 40 | 14 | 2,4 | 0,8 | 0,8 | 32,0 | 2200 | 3300 | 1,4 | 0,12 |
| AS25 | 25 | 8 x 2 | 52 | 45,9 | 15 | 2,4 | 0,8 | 0,8 | 45,0 | 1900 | 2900 | 2,4 | 0,14 |
| AS30 | 30 | 8 x 2 | 62 | 55 | 16 | 2,4 | 0,8 | 1 | 72,0 | 1600 | 2400 | 7,8 | 0,22 |
| AS35 | 35 | 10 x 2,4 | 72 | 64 | 17 | 2,5 | 0,8 | 1 | 114,0 | 1300 | 2000 | 9 | 0,31 |
| AS40 | 40 | 12 x 2,2 | 80 | 72 | 18 | 2,5 | 0,8 | 1 | 148,0 | 1200 | 1800 | 10 | 0,39 |
| AS45 | 45 | 14 x 2,1 | 85 | 77 | 19 | 2,5 | 1,2 | 1 | 174,0 | 1000 | 1600 | 11 | 0,44 |
| AS50 | 50 | 14 x 2,1 | 90 | 82 | 20 | 2,5 | 1,2 | 1 | 184,0 | 950 | 1500 | 13 | 0,49 |
| AS55 | 55 | 16 x 2,4 | 100 | 90 | 21 | 2,5 | 1,2 | 1 | 246,0 | 800 | 1300 | 14 | 0,66 |
| AS60 | 60 | 18 x 2,3 | 110 | 100 | 22 | 2,5 | 1,2 | 1,5 | 406,0 | 700 | 1100 | 26 | 0,81 |
| AS80 | 80 | 22 x 3,1 | 140 | 128 | 26 | 2,5 | 1,2 | 1,5 | 850,0 | 600 | 900 | 58 | 1,41 |





