Муфта пути муфты одного стартера мотоцикла нося подгонянное FWD331608PRB
Характер продукции
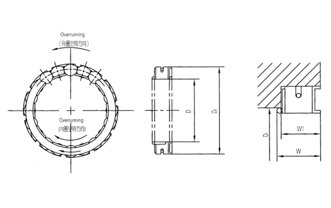
Мотоцикл схватывает серию FWD с подгонянным внутренним и наружным кольцом
Односторонняя муфта, обыкновенно известная как переливаться через край муфта, составлена наружной гонки, внутренней гонки, клетки, заклинивает etc. когда исправляют внутренняя гонка, поворачивая клин против часовой стрелки на наружную гонку делает запертое, наружная гонка может вращать свободно; когда вращают наружная гонка по часовой стрелке, запирается клин, наружная гонка не может повернуть. Функция клетки держать клин всегда смотреть на запирая наружную гонку направление немножко склонено для того чтобы усилить запирая функцию клина.
Односторонние муфты имеют 2 формы движения:
1. Передача вращающего момента или захват (клин)
2. Бездельничать или трансцендентальность (высвобождение).
Применение: главным образом использованный в стартере мотоцикла
Муфта пути муфты одного стартера мотоцикла нося спецификации FWD… PRB:
| Тип муфты | Размеры | Вращающий момент | Вес | ||||
| Внутренняя гонка | Наружная гонка | Wmin | Wmin | Dc | |||
| D +0,008/-0,005 | D0 ±0.013 | W | W1 | Tkn | |||
| [mm] | [mm] | [mm] | [mm] | [mm] | [Kgf-m] | [g] | |
| FWD331608PRB | 39,627 | 56,294 | 13,0 | 11,4 | 45 | 27 | 70 |
| FWD331808PRB | 45,665 | 62,332 | 13,3 | 11,7 | 51 | 35 | 80 |
| FWD332008PRB | 51,710 | 68,377 | 13,3 | 11,7 | 57 | 45 | 89 |
| FWD332211PRB | 57,760 | 74,427 | 16,3 | 14,7 | 63 | 78 | 130 |
Примечание:
1) Противоположное переливаясь через край направление должно быть приказано отдельно.





