Подшипники ролика SL183012 одиночного полного дополнения строки цилиндрические SL183020 SL183036
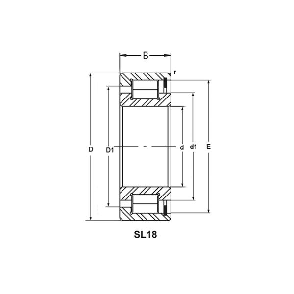
Цилиндрические подшипники ролика SL183012 одно-строка, подшипник цилиндра полного дополнения. Этот нося тип имеет твердое наружное и внутреннее кольцо и большое количество цилиндрических роликов. Эти ролики направлены между нервюрами колец. В виду того что никакая клетка, максимальное число кренов можно использовать. В результате эти подшипники могут поддержать очень высокие радиальные нагрузки. Однако, максимальная скорость ниже чем скорость цилиндрических подшипников ролика с клетками. подшипники ролика полного дополнения Одно-строки цилиндрические могут также поддержать осевые силы в одном направлении. Они использованы как подшипники поддержки. Подшипники поддержки позволяют осевому смещению вала по отношению к снабжению жилищем в одном направлении. Вал устроен осев в другом направлении.
Рабочая температура:
Подшипники ролика полного дополнения цилиндрические соответствующие для рабочих температур от – °C 30 к +120 °C.
MOUETTE предлагает больше таблиц взаимообмена, подшипник ролика сигареты цилиндрический, подшипники ролика nsk цилиндрические, timken цилиндрический подшипник ролика, подшипник ролика ina цилиндрический.
Детали серии подшипников ролика SL1830 одиночного полного дополнения строки цилиндрические:
|
Носить код |
Размеры | Нагружая оценка | Ограничиваясь скорость | Масса | ||||||||||
| d | D | B | d1 | D1 | E | s | rmin | Dyn. | Stat. | Предельная нагрузка усталости | Ограничиваясь скорость | Скорость ссылки | ||
| Cr | Cor | Дворняжка | nG | N.B. | ||||||||||
| mm | KN | rpm | kg | |||||||||||
| SL183004 | 20 | 42 | 16 | 28,8 | 32,8 | 36,81 | 1,5 | 0,6 | 27,5 | 26,5 | 4,45 | 10500 | 7500 | 0,11 |
| SL183005 | 25 | 47 | 16 | 34,6 | 38,5 | 42,51 | 1,5 | 0,6 | 35 | 32 | 5,5 | 8900 | 6000 | 0,12 |
| SL183006 | 30 | 55 | 19 | 40 | 45,4 | 49,6 | 2 | 1 | 45 | 42 | 7,5 | 7600 | 5600 | 0,2 |
| SL183007 | 35 | 62 | 20 | 44,9 | 51,3 | 55,52 | 2 | 1 | 55 | 53 | 9,4 | 6700 | 4950 | 0,26 |
| SL183008 | 40 | 68 | 21 | 50,5 | 57,1 | 61,74 | 2 | 1 | 66 | 67 | 11,2 | 6000 | 4350 | 0,31 |
| SL183009 | 45 | 75 | 23 | 55,3 | 62,2 | 66,85 | 2 | 1 | 70 | 74 | 12,5 | 5500 | 4200 | 0,4 |
| SL183010 | 50 | 80 | 23 | 59,1 | 67,7 | 72,33 | 2 | 1 | 88 | 94 | 15,1 | 5100 | 3700 | 0,43 |
| SL183011 | 55 | 90 | 26 | 68,5 | 78,8 | 83,54 | 2 | 1,1 | 120 | 136 | 22,6 | 4400 | 3100 | 0,64 |
| SL183012 | 60 | 95 | 26 | 71,7 | 82,1 | 86,74 | 2 | 1,1 | 123 | 143 | 23,7 | 4200 | 3000 | 0,69 |
| SL183013 | 65 | 100 | 26 | 78,1 | 88,4 | 93,09 | 2 | 1,1 | 130 | 157 | 26 | 3900 | 2700 | 0,73 |
| SL183014 | 70 | 110 | 30 | 81,5 | 95,6 | 100,28 | 3 | 1,1 | 153 | 174 | 29,5 | 3650 | 2800 | 1,02 |
| SL183015 | 75 | 115 | 30 | 89 | 103,2 | 107,9 | 3 | 1,1 | 162 | 192 | 32,5 | 3400 | 2490 | 1,06 |
| SL183016 | 80 | 125 | 34 | 95 | 111,7 | 117,4 | 4 | 1,1 | 170 | 220 | 31 | 3150 | 2470 | 1,43 |
| SL183017 | 85 | 130 | 34 | 99,4 | 116,1 | 121,95 | 4 | 1,1 | 175 | 231 | 32 | 3000 | 2360 | 1,51 |
| SL183018 | 90 | 140 | 37 | 106,1 | 124,5 | 130,11 | 4 | 1,5 | 205 | 275 | 38 | 2800 | 2240 | 1,97 |
| SL183020 | 100 | 150 | 37 | 115,7 | 134 | 140,2 | 4 | 1,5 | 216 | 300 | 40,5 | 2600 | 2040 | 2,15 |
| SL183022 | 110 | 170 | 45 | 127,3 | 149,3 | 156,7 | 5,5 | 2 | 280 | 385 | 52 | 2350 | 2010 | 3,5 |
| SL183024 | 120 | 180 | 46 | 138,8 | 160,7 | 168,15 | 5,5 | 2 | 295 | 425 | 56 | 2170 | 1840 | 3,8 |
| SL183026 | 130 | 200 | 52 | 148,6 | 175,5 | 184,4 | 5,5 | 2 | 425 | 600 | 79 | 2000 | 1660 | 5,65 |
| SL183028 | 140 | 210 | 53 | 162,2 | 189,5 | 198,4 | 5,5 | 2 | 450 | 660 | 85 | 1840 | 1470 | 6,04 |
| SL183030 | 150 | 225 | 56 | 170 | 198 | 207,45 | 7 | 2,1 | 475 | 700 | 88 | 1760 | 1430 | 7,33 |
| SL183032 | 160 | 240 | 60 | 184,8 | 215,8 | 225,45 | 7 | 2,1 | 540 | 800 | 99 | 1620 | 1280 | 8,8 |
| SL183034 | 170 | 260 | 67 | 198,1 | 232,7 | 243,55 | 7 | 2,1 | 700 | 1050 | 129 | 1510 | 1120 | 12,2 |
| SL183036 | 180 | 280 | 74 | 212,2 | 249,4 | 261 | 7 | 2,1 | 810 | 1240 | 150 | 1410 | 1020 | 16,1 |
| SL183038 | 190 | 290 | 75 | 221,8 | 259 | 270,6 | 9 | 2,1 | 830 | 1300 | 155 | 1350 | 970 | 17 |
| SL183040 | 200 | 310 | 82 | 236,6 | 276,2 | 288,6 | 9 | 2,1 | 950 | 1510 | 178 | 1270 | 890 | 21,8 |
| SL183044 | 220 | 340 | 90 | 254,6 | 299,2 | 312 | 9 | 3 | 1150 | 1820 | 209 | 1170 | 800 | 28,4 |
| SL183048 | 240 | 360 | 92 | 277,5 | 322,1 | 336 | 11 | 3 | 1210 | 1990 | 224 | 1080 | 720 | 30,9 |
| SL183052 | 260 | 400 | 104 | 304 | 358,4 | 375,97 | 11 | 4 | 1600 | 2500 | 280 | 980 | 620 | 44,5 |
| SL183056 | 280 | 420 | 106 | 319,5 | 372,9 | 390,3 | 11 | 4 | 1650 | 2650 | 290 | 940 | 590 | 48 |
| SL183060-TB | 300 | 460 | 118 | 353,6 | 415,6 | 434,85 | 14 | 4 | 2020 | 3300 | 325 | 840 | 500 | 66,6 |
| SL183064-TB | 320 | 480 | 121 | 369,5 | 430,1 | 449,5 | 14 | 4 | 2080 | 3450 | 340 | 810 | 480 | 71,7 |
| SL183068-TB | 340 | 520 | 133 | 396,1 | 463,9 | 485,65 | 16 | 5 | 2490 | 4150 | 400 | 750 | 430 | 95,8 |
| SL183072-TB | 360 | 540 | 134 | 414 | 481,6 | 503,45 | 16 | 5 | 2550 | 4350 | 410 | 720 | 405 | 101 |
| SL183076-TB | 380 | 560 | 135 | 431,7 | 499,5 | 521,25 | 16 | 5 | 2600 | 4450 | 425 | 700 | 390 | 106 |
| SL183080-TB | 400 | 600 | 148 | 462,5 | 535,1 | 558,52 | 18 | 5 | 3050 | 5400 | 500 | 650 | 345 | 140 |





