Небольшой размер и низкий вращающий момент 2 колец выскальзывания каналов 18GHz высокочастотных роторных совместных
Описание высокочастотного роторного соединения HF0218-64
Соединение серии SenRing HF0218-64 высокочастотное роторное двухтрактное высокочастотное роторное соединение 18GHz с диапазоном изменения частот DC к 18GHz. Совместный тип использует SMA-K/SMA-K и конструирован для максимальной скорости 60 вращений в минуту. HF0218-64 начато основанный на HF0218-31 с каналами дополнительными 24 электрическими кольца выскальзывания. Это продукт специально превратилось для того чтобы соотвествовать передачи высокоскоростное серийное цифрового или аналоговых сигналов (и требует передачи 1 до 24 каналов течения). Течение дефолта этой серии высокочастотных роторных соединений 5A. Если вам нужно увеличить настоящий путь или изменить настоящий размер, или нужны техническая консультация, консультация пре-продаж, или запросы решения, то пожалуйста свяжитесь команда SenRing техническая.
Особенности высокочастотного роторного соединения HF0218-64
1. канал RF: 2 канала, канал сигнала/силы: 1~24 канала;
2. Частота: DC~18GHz+DC~4.5GHz;
3. Низкие вносимая потеря и коэффициент напряжения стоячей волны;
4. Оно использовано в непрерывных приборах вращения 360° для того чтобы перенести высокочастотные сигналы;
5. Интегрированная структура, легкая установка;
Применение:
спутниковая Корабл-принесенная антенна, корабль, радиолокатор, стенд теста антенны микроволны….etc;
Технические данные высокочастотного роторного соединения HF0218-64
| Роторные совместные спецификации. | ||
| канал 1 | канал 2 | |
| Тип соединителя | SMA-K | SMA-K |
| Стиль | Я тип | Я тип |
| Частота | DC до 18 GHz | DC до 4 GHz |
| Пиковая сила (максимальная) | 3000W | 3000W |
| Средняя мощность (максимальная) | 50 w @ 18 GHz | 50 w @ 4 GHz |
| VSWR (максимальное) | 1,2 @ 0 до 4 GHz 1,5 @ 4 до 18 GHz | 1,4 @ 0 до 2 GHz 2,5 @ 2 до 4 GHz |
| Зыбкость VSWR (максимальная) | 0,04 | 0,36 |
| Вносимая потеря | 0,08 dB @ 4 GHz 0,48 dB @ 18 GHz | 0,48 dB @ 2 GHz 0,98 dB @ 4 GHz |
| Зыбкость вносимой потери | 0,05 dB | 0,25 dB |
| Участок ВАУ (максимальная степень) | 1 ° | ° 2 |
| Изоляция | dB 60 | |
| Вращая скорость (максимальная) | 60RPM |
| Начинающ вращающий момент (максимальный) | 5N.cm |
| Температура | -40 к +70℃ (температура работы) |
| -50 к +70℃ (температура хранения) |
| Срок пригодности | > 10 миллионов для ref (зависит от условий труда) |
| Вращая вращающий момент (максимальный) | 5 Ncm |
| Влажность | 85% (влажность работы) |
| 95% (влажность хранения) | |
| Изолируя материал | PTFE |
| Ранг IP | IP 60 согласно с EN 60529 |
| Механический | |
| >Срок пригодности | > 10 миллионов для ref (зависит от условий труда) |
| >Вращая скорость | 250RPM |
| >Температура | -30℃~80℃ |
| Влажность | RH 0~85% |
| Материал контакта | золото-золото |
| Расквартировывать материал | алюминиевый сплав |
| Вращающий момент | каналы 0.05N.m+0.01N.m/6 |
| Электрический | ||
| >Спецификации. | >Сила | >Сигнал |
| >Ряд напряжения тока | 0~440VAC/VDC | 0~240VAC/VDC |
| >Сопротивление Insolution | ≥300MΩ/300VDC | ≥300MΩ/300VDC |
| Спецификации подводящего провода. | AWG#17 Серебр-покрыло провод тефлона | AWG#22 Серебр-покрыло провод тефлона |
| Длина подводящего провода | стандарт 150mm (смогите быть подгоняно) | |
| Сопротивление Insolution | 300VAC@50Hz, 60s | |
| Электрический шум | < 0.01Ω | |
| Ранг IP | IP51 | |
Описание номера детали

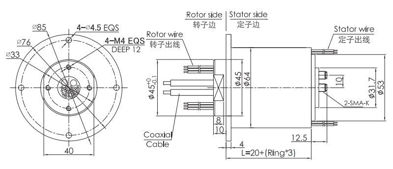
Чертеж

Список типовой модели
| модельный список | Канал RF | Частота | Цепи нет (10A) | Цепи нет (0~2A) | Длина l (mm) |
| HF0218-64-0610 | 2 канала | DC~18GHz | 6 каналов | 0 | 38mm |
| HF0218-64-06S | 2 канала | DC~18GHz | 0 | 6 каналов | 38mm |
| HF0218-64-12S | 2 канала | DC~18GHz | 0 | 12 канала | 56mm |
| HF0218-64-18S | 2 канала | DC~18GHz | 0 | 18 каналов | 74mm |
| HF0218-64-24S | 2 канала | DC~18GHz | 0 | 24 канала | 92mm |