Тип стопор якорной цепи фиксатора ролика JIS F2031 цепи
Описание:
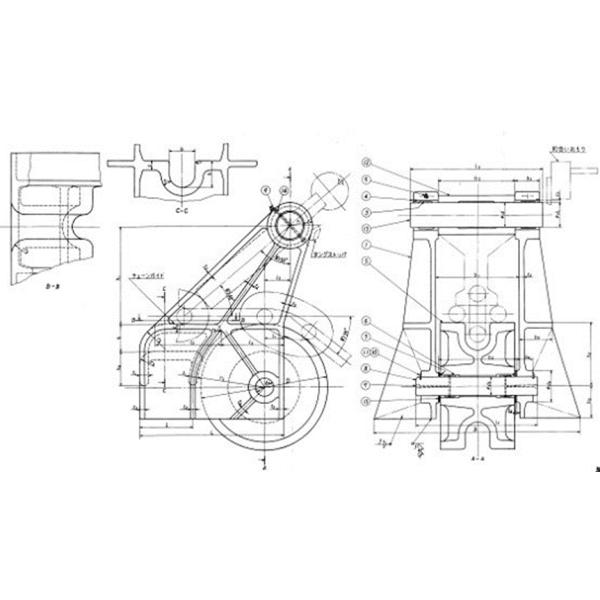
Тип стопор якорной цепи фиксатора ролика JIS F2031 цепи установлен путем сваривать на учреждении или на forecastle deck.it может зажать анкерную цепь когда анкер ветрил или падений корабля. Оно помогает уменьшить допустимую загрузку брашпиля, позволяя брашпилю из тяги от анкера
Главные технические данные;
Основной технический параметр:
| НЕТ. | Диаметр прикладывает анкерную цепь | Бортовая рамка тела | ||||||||||||||||||
| B | b | b1 | b2 | b3 | b4 | b5 | L | l | l1 | l2 | l3 | d3 | d4 | h | h1 | h2 | h3 | h4 | ||
| 73 |
70 73 |
980 | 118 | 400 | 376 | 114 | 79 | 153 | 660 | 241 | 90 | 292 | 94 | 88 | 141 | 125 | 422 | 292 | 146 | 153 |
| 78 |
76 78 |
1040 | 126 | 425 | 399 | 121 | 84 | 162 | 700 | 254 | 95 | 312 | 100 | 94 | 150 | 133 | 450 | 312 | 156 | 164 |
| 84 |
81 84 |
1110 | 136 | 454 | 426 | 130 | 89 | 174 | 760 | 279 | 103 | 328 | 106 | 100 | 160 | 143 | 483 | 336 | 164 | 176 |
| 90 |
87 90 |
1190 | 146 | 484 | 454 | 139 | 96 | 186 | 810 | 295 | 110 | 360 | 110 | 107 | 171 | 153 | 515 | 360 | 180 | 189 |
| 95 |
92 95 |
1250 | 154 | 508 | 476 | 146 | 101 | 195 | 860 | 317 | 116 | 380 | 118 | 113 | 181 | 162 | 545 | 380 | 190 | 200 |
| 102 |
97 102 |
1320 | 165 | 540 | 506 | 155 | 108 | 207 | 920 | 337 | 124 | 408 | 125 | 121 | 195 | 175 | 584 | 408 | 204 | 214 |
| 107 |
105 107 |
1390 | 173 | 569 | 533 | 162 | 115 | 219 | 981 | 364 | 131 | 432 | 131 | 129 | 207 | 185 | 617 | 432 | 216 | 226 |
| 114 |
111 114 |
1460 | 184 | 598 | 560 | 171 | 122 | 228 | 1026 | 376 | 138 | 456 | 138 | 136 | 218 | 195 | 651 | 456 | 228 | 240 |
| 122 |
117 122 |
1550 | 197 | 632 | 592 | 182 | 129 | 243 | 1100 | 408 | 149 | 488 | 146 | 144 | 231 | 208 | 695 | 488 | 244 | 256 |
| 132 |
127 132 |
1660 | 213 | 674 | 632 | 195 | 139 | 261 | 1190 | 441 | 161 | 528 | 155 | 155 | 249 | 225 | 750 | 528 | 264 | 277 |
| НЕТ. | Бортовая рамка тела | Ролик | Цапфа фиксатора | Цапфа ролика | Буш | Шайба | Нога сварки | Ссылка | |||||||||||
| r | r1 | r2 | r3 | r4 | r5 | t | t1 | t2 | D | d | l6 | d2 | l7 | t3 | d1 | t4 | f | Высчитанное массовое (kg) | |
| 73 | 14 | 111 | 124 | 73 | 37 | 310 | 44 | 37 | 22 | 584 | 116 | 640 | 87 | 595 | 8 | 117 | 8 | 15 | 932 |
| 78 | 15 | 119 | 132 | 78 | 39 | 332 | 47 | 39 | 23 | 624 | 123 | 680 | 93 | 630 | 10 | 124 | 8 | 15 | 1120 |
| 84 | 17 | 126 | 143 | 84 | 42 | 357 | 50 | 42 | 25 | 672 | 131 | 720 | 99 | 665 | 10 | 132 | 8 | 17 | 1370 |
| 90 | 18 | 133 | 153 | 90 | 45 | 382 | 54 | 45 | 27 | 720 | 139 | 770 | 106 | 710 | 10 | 140 | 10 | 18 | 1660 |
| 95 | 20 | 141 | 161 | 95 | 46 | 404 | 57 | 48 | 28 | 760 | 146 | 810 | 112 | 740 | 10 | 147 | 10 | 19 | 1940 |
| 102 | 21 | 149 | 173 | 102 | 51 | 434 | 61 | 51 | 30 | 816 | 156 | 860 | 120 | 785 | 10 | 157 | 10 | 20 | 2340 |
| 107 | 23 | 156 | 184 | 108 | 54 | 460 | 65 | 54 | 32 | 864 | 163 | 900 | 128 | 825 | 10 | 164 | 15 | 21 | 2740 |
| 114 | 24 | 163 | 194 | 114 | 57 | 485 | 68 | 58 | 34 | 912 | 172 | 940 | 135 | 865 | 10 | 173 | 15 | 23 | 3190 |
| 122 | 25 | 172 | 207 | 122 | 61 | 518 | 74 | 61 | 37 | 976 | 182 | 995 | 143 | 910 | 10 | 183 | 15 | 25 | 3840 |
| 132 | 28 | 182 | 224 | 132 | 66 | 550 | 80 | 66 | 40 | 1056 | 194 | 1060 | 154 | 970 | 10 | 195 | 15 | 26 | 4840 |

Чертежи типа стопора якорной цепи фиксатора ролика JIS F2031 цепи

