Кабель анкерной цепи CB 531 простой обхватывает корабль анкерной цепи отпуска причаливая оборудование
Описание:
Простой тип releaser анкера один из популярного анкера выпуская приборы. Хотя он вызван простым releaser анкера и он может still- владение номинальный диаметр анкерных цепей 17mm до 37mm. Кроме того, легко привестись в действие простой releaser анкера и сдержаться безопасность когда корабль плавает. Если вы имеете любое требование о продуктах, то мы можем сделать его как вы запрос.
Главные технические данные:
1. Технический стандарт: CB531-66;
2. Номинальный цепной диаметр: 17mm до 37mm
3. Применимый ранг 2 и анкерные цепи ранга 3;
4. Материалы: C-Mn сталь, нержавеющая сталь,
5. Превосходная гибкость;
6. Поверхностное покрытие: sandblasting к S2.5 + один слой праймера магазина эпоксидной смолы, гальванизированное, подгонянное поверхностное покрытие доступное.
7. Сертификаты классификации: CCS, NK, BV, ABS, DNV-GL, LR, KR, IRS, RS, Etc.
8. Смогите быть подгоняно
Основной технический параметр:
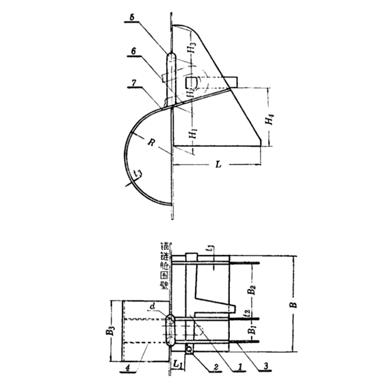
|
Диаметр Cale mm |
L | L1 | B | B1 | B2 | B3 | H1 | H2 | H3 | H4 | R | t1 | t2 | t3 | d | Kg≈ веса |
| 17-19 | 150 | 35 | 238 | 54 | 128 | 140 | 90 | 100 | 100 | 118 | 100 | 6 | 4 | 5 | 28 | 8,93 |
| 22-25 | 196 | 40 | 270 | 61 | 146 | 170 | 110 | 130 | 110 | 145 | 125 | 8 | 4 | 6 | 30 | 14,38 |
| 28-31 | 256 | 45 | 305 | 70 | 165 | 200 | 130 | 160 | 120 | 180 | 150 | 10 | 5 | 6 | 30 | 25,41 |
| 34-37 | 324 | 55 | 360 | 84 | 198 | 230 | 150 | 190 | 130 | 215 | 175 | 12 | 6 | 8 | 36 | 36,88 |

Чертеж кабеля анкерной цепи CB 531 простого обхватывает корабль анкерной цепи отпуска причаливая оборудование