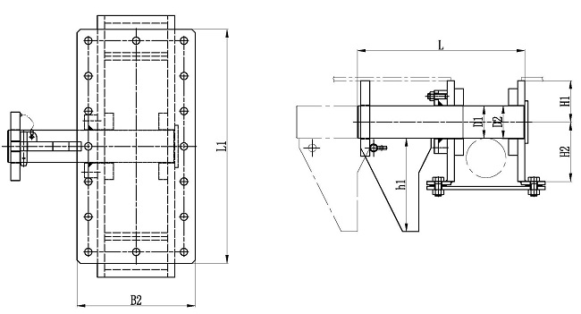
Тип JIS f 2025 отделяемый тип кабель штепсельной вилки анкерной цепи обхватывает корабль причаливая оборудование
Описание:
Тип releaser штепсельной вилки анкера использован для обеспечивать анкерные цепи в цепном шкафчике. Тип releaser штепсельной вилки анкера применим к диаметру 52mm до 120mm анкерной цепи и обыкновенно использованный на больших и средних кораблях. Он установлен на перегородку хранения анкерных цепей и удобный, легкий для того чтобы работать когда корабль в зарождающемся обстоятельстве. Тип releaser штепсельной вилки анкера применим вверх для ранга 2 анкерных цепей.
Главные технические данные:
Основной технический параметр:
| Номинальный нет. | Применимый Dia анкерной цепи. (mm) | L1 | L3 | B2 | H1 | H2 | D1 | D2 | h1 | d1 |
Вес (kg) |
| 52 | 50-52 | 384 | 460 | 238 | 63 | 82 | 54 | 57 | 190 | 16 | 40,5 |
| 56 | 54-56 | 420 | 486 | 246 | 69 | 88 | 58 | 61 | 194 | 16 | 48,0 |
| 60 | 58-60 | 448 | 504 | 254 | 74 | 94 | 62 | 65 | 198 | 16 | 53,9 |
| 64 | 62-64 | 478 | 524 | 264 | 80 | 100 | 66 | 69 | 202 | 16 | 60,0 |
| 68 | 66-68 | 504 | 570 | 282 | 87 | 114 | 75 | 78 | 212 | 19 | 81,4 |
| 78 | 76-78 | 576 | 594 | 292 | 95 | 122 | 80 | 83 | 217 | 19 | 92,8 |
| 84 | 81-84 | 624 | 628 | 302 | 102 | 131 | 85 | 88 | 223 | 19 | 106 |
| 90 | 87-90 | 670 | 660 | 316 | 110 | 140 | 90 | 93 | 230 | 19 | 128 |
| 95 | 92-95 | 708 | 686 | 330 | 118 | 148 | 95 | 98 | 235 | 22 | 146 |
| 102 | 98-102 | 762 | 724 | 346 | 128 | 158 | 100 | 103 | 242 | 22 | 188 |
| 111 | 105-111 | 828 | 770 | 364 | 139 | 171 | 110 | 110 | 251 | 22 | 231 |
| 120 | 114-120 | 892 | 810 | 386 | 150 | 184 | 120 | 123 | 260 | 22 | 274 |

Чертеж типа JIS f 2025 отделяемый тип кабель штепсельной вилки анкерной цепи обхватывает корабль причаливая оборудование
