Тип ISO 13755 Fairlead ролика отливки стальной одиночный без оборудования зачаливания корабля противопыльного кожуха
Описание:
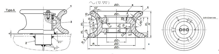
Ролик стандарта ISO 13755 наиболее широко используемое причаливающ fairlead ролика в морской индустрии. В зависимости от конструкции, стальные ролики быть расклассифицированным как следование 3 типов: Тип a - сделанный стальной отливки без верхнего противопыльного кожуха; Тип b - сделанный стальной отливки с верхним противопыльным кожухом; Тип c - сделанный из стальной пластины с противопыльным кожухом. Номинальные размеры стальных роликов обозначены в отношении внешнего диаметра ролика в миллиметре от базисного ряда предпочитаемого номера. Номинальные размеры являются следующими: 150, 200, 250, 300, 350, 400, 450 и материалы 500.The из следовать компонентов быть использованным для изготовлять стальные ролики: Ролик - отливка стали имея пункт выхода меньше чем 205 N/mm2 или стальные пластины имея пункт выхода меньше чем 235 N/mm. weldable стальная отливка имея пункт выхода меньше чем 350 N/mm2 или эквивалента. Буш - латунный, бронзовый или соответствующий.
Главные технические данные:
1. Технический стандарт: ISO 13755-2012
2. Тип: Форма a без верхнего противопыльного кожуха,
3. Диаметры ролика: 150~500mm
4. Ролик нет: Одиночный ролик
5. Вес ролика: 23~80kg
6. Материалы: Бросая нержавеющая сталь, сталь отливки,
7. Поверхностное покрытие: sandblasting к S2.5 + один слой праймера магазина эпоксидной смолы, гальванизированное, отполированное, подгонянное поверхностное покрытие доступное.
8. Сертификаты классификации: CCS, NK, BV, ABS, DNV-GL, LR, KR, IRS, RS, Etc.
9. Смогите быть подгоняно
Основные технические параметры:
| Номинальный размер Dn |
D1 | D2 +2/0 |
03 +2/0 |
D | D5 H7 | R1 | R2 | R3 | R4 | H | H1 | H2 | H3 | H4 | e | ||||||||||||||||||||
| 150 | 150 | 230 | 216 | 110 | 90 | 30 | 52 | 15 | 11 | 137 | 25 | 84 | 44,7 | 43,38 | 37,7 | ||||||||||||||||||||
| 200 | 200 | 300 | 280 | 145 | 115 | 40 | 66 | 20 | 13 | 157 | 30 | 99 | 59,2 | 35,46 | 46,3 | ||||||||||||||||||||
| 250 | 250 | 370 | 340 | 165 | 135 | 50 | 80 | 25 | 15 | 177 | 32 | 105 | 73,5 | 28,33 | 55,0 | ||||||||||||||||||||
| 300 | 300 | 430 | 400 | 190 | 150 | 55 | 87 | 30 | 16 | 197 | 33 | 125 | 82,6 | 32,62 | 60,8 | ||||||||||||||||||||
| 350 | 350 | 490 | 460 | 210 | 167 | 55 | 89 | 30 | 17 | 217 | 33 | 140 | 83,7 | 49,06 | 63,7 | ||||||||||||||||||||
| 400 | 400 | 560 | 520 | 225 | 177 | 63 | 99 | 30 | 18 | 237 | 43 | 150 | 91,8 | 52,0 | 72,2 | ||||||||||||||||||||
| 450 | 450 | 620 | 590 | 245 | 190 | 63 | 101 | 30 | 19 | 257 | 43 | 162 | 92,5 | 67,07 | 7, 4 8 | ||||||||||||||||||||
| 500 | 500 | 680 | 660 | 260 | 205 | 63 | 103 | 30 | 20 | 277 | 43 | 180 | 93,0 | 82,94 | 77,6 | ||||||||||||||||||||
| Номинальный размер Dn |
h | h1 | h2 | Setscrew | T | T1 | N | Сваривая длина ноги | SWL b | Высчитанный вес (kg/set) |
|||||||||||||||||||||||||
| θ= 90° | θ= 0° | ||||||||||||||||||||||||||||||||||
| s | z1 | (kN) | (Я) | (kN) | (l) | Тип |
Тип b | ||||||||||||||||||||||||||||
| 150 | 5 | 35 | 25 | M6 | 22 | 6 | 8 | 265 | 27 | 186 | 19 | 23 | 24 | ||||||||||||||||||||||
| 200 | 5 | 38 | 35 | M6 | 26 | 6 | 10 | 441 | 45 | 314 | 32 | 42 | 43 | ||||||||||||||||||||||
| 250 | 6 | 40 | 35 | M8 | 30 | 6 | 11 | 579 | 59 | 412 | 42 | 77 | 80 | ||||||||||||||||||||||
| Номинальный размер Dn |
D1 | D2 +2/0 |
D 3 +2/0 |
D4 | Ds H7 | R1 | R2 | R3 | R4 | H | H1 | H2 | H3 | H4 | e | ||||||||||||||||||||
| 300 | 7 | 45 | 40 | M8 | 32 | 29 | 8 | 12 | 726 | 74 | 510 | 52 | 109 | 112 | |||||||||||||||||||||
| 350 | 7 | 50 | 45 | M8 | 34 | 29 | 8 | 15 | 1040 | 106 | 736 | 75 | 154 | 160 | |||||||||||||||||||||
| 400 | 7 | 53 | 49 | MB | 36 | 30 | 12 | 17 | 1246 | 127 | 883 | 90 | 207 | 215 | |||||||||||||||||||||
| 450 | 7 | 57 | 53 | M8 | 38 | 32 | 12 | 20 | 1599 | 163 | 1 128 | 115 | 275 | 286 | |||||||||||||||||||||
| 500 | 7 | 65 | 60 | M8 | 40 | 34 | 12 | 23 | 1942 | 198 | 1 373 | 140 | 360 | 374 | |||||||||||||||||||||

Чертежи типа ISO 13755 Fairlead ролика отливки стальной одиночный без оборудования зачаливания корабля противопыльного кожуха
