Сталь отливки основания квадрата изогнула тип пал с оборудованием зачаливания корабля Анкоридж
Описание:
Мы профессиональный изготовитель оборудования дока. Мы производим все виды дока причаливая оборудование.
Главные технические данные:
1. Емкость пала: 5 до 100 тонн;
2. Номинальный вес: 70 к 1670kg;
3. Материал: литая сталь, литое железо;
4. Поверхностное покрытие: sandblasting к S2.5 + один слой отполированных праймера магазина эпоксидной смолы, зеркала или сатинировки, отполированного, гальванизированного, подгонянного поверхностного покрытия доступного.
5. Сертификаты классификации: CCS, NK, BV, ABS, DNV-GL, LR, KR, IRS, RS, Etc.
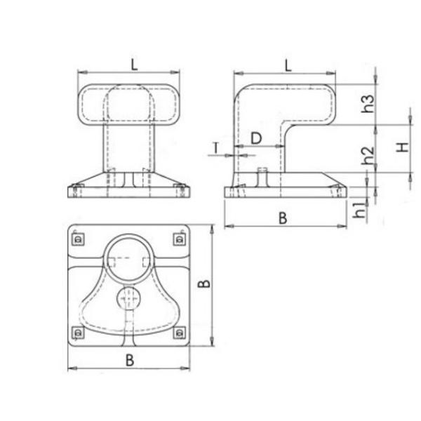
Основной технический параметр:
| Тип | Размер (mm) | Вес (kg) | |||||||
| D | H | T | L | B | h1 | h2 | h3 | ||
| 5T | 150 | 170 | 20 | 300 | 350 | 30 | 60 | 120 | 70 |
| 10T | 200 | 210 | 20 | 400 | 480 | 40 | 70 | 160 | 140 |
| 15T | 250 | 250 | 20 | 500 | 600 | 50 | 80 | 200 | 245 |
| 25T | 300 | 290 | 21 | 600 | 720 | 65 | 95 | 240 | 420 |
| 35T | 300 | 290 | 25 | 600 | 720 | 65 | 95 | 240 | 440 |
| 50T | 350 | 330 | 29 | 700 | 840 | 70 | 100 | 280 | 665 |
| 70T | 400 | 370 | 33 | 800 | 1000 | 90 | 120 | 320 | 1100 |
| 100T | 450 | 410 | 39 | 900 | 1200 | 95 | 125 | 360 | 1670 |

Чертеж стали отливки основания квадрата изогнул тип пал с оборудованием зачаливания корабля Анкоридж

