Тип корабль Адвокатуры ролика GB/T 3844 затвора анкерной цепи причаливая оборудование
Описание
Цепной затвор исправить анкерная цепь & анкер в положении даже в условиях сильного волнения. Оно alwaysreduce нагрузка тяги пострадала брашпилем. Она конструирована основанный на стандартной цепной прочности 80% затвора разрывной нагрузки анкерной цепи минимальной. Тест NDE применим ко всему из цепного затвора мы затвор анкерной цепи produced.GB/T 3844 применим к цепному размеру между 44mm к 132mm. Для более небольшого размера цепи пожалуйста контактируйте с нами и см. другой проектно-конструкторский стандарт.
Главные технические данные
1. технический стандарт: GB/T 3844-2000
2. тип: Тип рычага ролика
3. цепной размер: 42-132mm
4. материалы: Слабая сталь, C-Mn сталь, нержавеющая сталь, бросая сталь, узелковое литое железо, стальная вковка,
5. поверхностное покрытие: sandblasting к S2.5 + один слой праймера магазина эпоксидной смолы, гальванизированное, отполированное, подгонянное поверхностное покрытие доступное.
6. сертификаты классификации: CCS, NK, BV, ABS, DNV-GL, LR, KR, IRS, RS, Etc.
7. Смогите быть подгоняно Основной технический параметр:
| Номинальный Диаметр |
Dia цепи. (mm) |
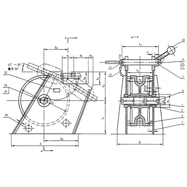
L | L1 | L2 | L3 | L4 | B | b1 | D | d1 | d2 | h1 | h2 | t | t1 | Вес (kg) |
| 44 | 42~44 | 1000 | 370 | 400 | 270 | 80 | 380 | 260 | 484 | 22 | 69 | 392 | 281 | 12 | 32 | 274 |
| 48 | 46~48 | 1050 | 420 | 450 | 300 | 85 | 446 | 286 | 528 | 26 | 73 | 414 | 306 | 12 | 34 | 351 |
| 52 | 50~52 | 1100 | 440 | 500 | 320 | 90 | 510 | 310 | 572 | 32 | 77 | 440 | 338 | 14 | 36 | 451 |
| 56 | 54~56 | 1150 | 450 | 550 | 340 | 92 | 556 | 316 | 600 | 34 | 81 | 460 | 354 | 15 | 38 | 536 |
| 60 | 58~60 | 1200 | 470 | 570 | 360 | 95 | 610 | 330 | 620 | 38 | 87 | 490 | 378 | 16 | 40 | 651 |
| 64 | 62~64 | 1250 | 500 | 600 | 370 | 100 | 666 | 346 | 640 | 40 | 94 | 520 | 400 | 17 | 42 | 753 |
| 68 | 66~68 | 1300 | 550 | 640 | 39 | 102 | 732 | 372 | 680 | 42 | 101 | 540 | 420 | 18 | 45 | 939 |
| 73 | 70~73 | 1350 | 570 | 670 | 41 | 110 | 800 | 400 | 730 | 45 | 109 | 580 | 460 | 20 | 48 | 1178 |
| 78 | 76~78 | 1400 | 610 | 700 | 442 | 115 | 865 | 425 | 780 | 48 | 116 | 630 | 490 | 22 | 50 | 1422 |
| 84 | 81~84 | 1460 | 650 | 740 | 475 | 120 | 940 | 454 | 840 | 50 | 124 | 670 | 530 | 24 | 55 | 1758 |
| 90 | 87~90 | 1540 | 710 | 780 | 507 | 135 | 1030 | 484 | 900 | 55 | 132 | 720 | 570 | 26 | 60 | 2171 |
| 95 | 92~95 | 1600 | 740 | 820 | 535 | 140 | 1080 | 508 | 950 | 58 | 139 | 760 | 610 | 28 | 65 | 2567 |
| 102 | 97~102 | 1680 | 790 | 870 | 572 | 145 | 1150 | 540 | 1020 | 60 | 148 | 800 | 650 | 30 | 70 | 2755 |
| 107 | 105~107 | 1750 | 840 | 900 | 600 | 150 | 1210 | 569 | 1070 | 63 | 154 | 860 | 690 | 32 | 75 | 3640 |
| 114 | 111~114 | 1820 | 880 | 940 | 637 | 160 | 1270 | 598 | 1140 | 68 | 163 | 910 | 740 | 34 | 80 | 4302 |
| 122 | 117~122 | 1880 | 930 | 1010 | 679 | 165 | 1340 | 632 | 1220 | 70 | 173 | 980 | 790 | 36 | 85 | 5326 |
| 132 | 124~132 | 1960 | 1000 | 1080 | 730 | 175 | 1440 | 674 | 1320 | 75 | 185 | 1060 | 860 | 38 | 90 | 6244 |

Рисовать типа корабля Адвокатуры ролика GB/T 3844 затвора анкерной цепи причаливая оборудование

