Фальшборт 2007-1976 JIS f установил причаливать корабль чурки (типа a, b) причаливая оборудование
Описание:
Чурка JIS f 2007-1976 причаливая одна из чурки установленной фальшбортом, нормальная модель от модели 150 к модели 500. Любой вопрос пожалуйста чувствует свободным получить в контакте с нами. Посмотрите вперед к слышать от вас. Любой вопрос пожалуйста чувствует свободным получить в контакте с нами. Смотреть вперед, который нужно услышать от вас.
Главные технические данные:
1. Тип: тип a, тип b;
2. Материалы: Сталь C-Mn отливки, бросая нержавеющая сталь, также может поставить особенную сталь для ледокола.
3. Технический стандарт: JIS F 2007-1976
4. Вес: 15,1 к 115kg; 17.5-45.5kg
5. Поверхностное покрытие: sandblasting к S2.5 + один слой праймера магазина эпоксидной смолы, отполированной нержавеющей стали, подгонянного поверхностного покрытия доступного.
6. Сертификаты классификации: CCS, NK, BV, ABS, DNV-GL, LR, KR, IRS
Основной технический параметр:
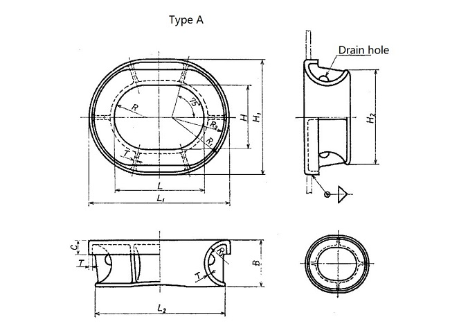
| Номинальный размер | L | L1 | L2 | H | H1 | H2 | B | C | R | R1 | R2 | R3 | T | Нога сварки | Высчитанный массовый kg | |||||
| 150 | 150 | 300 | 270 | 110 | 260 | 202 | 129 | 40 | 55 | 130 | 115 | 65 | 12 | 4 | 5 | 15.l | ||||
| 200 | 200 | 368 | 334 | 150 | 318 | 250 | 143 | 42 | 75 | 159 | 142 | 72 | 12 | 4 | 5 | 20,5 | ||||
| 250 | 250 | 430 | 394 | 200 | 380 | 308 | 155 | 44 | 100 | 190 | 172 | 78 | 12 | 4 | 5 | 26,9 | ||||
| 300 | 300 | 500 | 460 | 250 | 450 | 372 | 169 | 52 | 125 | 225 | 205 | 85 | 15 | 4 | 6 | 42,7 | ||||
| 350 | 350 | 560 | 518 | 250 | 460 | 378 | 179 | 55 | 125 | 230 | 209 | 90 | 15 | 6 | 6 | 50,8 | ||||
| 400 | 400 | 632 | 586 | 250 | 482 | 394 | 195 | 60 | 125 | 241 | 218 | 98 | 18 | 6 | 7 | 76,3 | ||||
| 450 | 450 | 700 | 650 | 250 | 500 | 406 | 209 | 62 | 125 | 250 | 225 | 105 | 20 | 6 | 8 | 102 | ||||
| 500 | 500 | 760 | 708 | 250 | 510 | 412 | 219 | 65 | 125 | 255 | 229 | 110 | 20 | 6 | 8 | 115 | ||||
| Номинальный размер | Номинальный dia. применимой веревочки (ссылка) | |||||||||||||||||||
| Веревочка Манилы | Веревочка провода | |||||||||||||||||||
| 150 | 40 | 16 (6×12) | ||||||||||||||||||
| 200 | 45 | 18 (6×12) | ||||||||||||||||||
| 250 | 50 | 20 (6×l2) | ||||||||||||||||||
| 300 | 60 | 22,4 (6×12) | ||||||||||||||||||
| 350 | 70 | 24 (6×24) | ||||||||||||||||||
| 400 | 80 | 26 (6×24) | ||||||||||||||||||
| 450 | 85 | 30 (6×24) | ||||||||||||||||||
| 500 | 90 | 35,5 (6×24) | ||||||||||||||||||
| Номинальный размер | L | L1 | L2 | B | C | R3 | T | Нога сварки | Высчитанный массовый kg | |
| 150 | 150 | 318 | 288 | 144 | 42 | 72 | 12 | 4 | 5 | 17,5 |
| 200 | 200 | 380 | 346 | 155 | 44 | 78 | 12 | 4 | 5 | 23,5 |
| 250 | 250 | 450 | 414 | 169 | 52 | 85 | 15 | 4 | 6 | 37,5 |
| 300 | 300 | 510 | 470 | 179 | 55 | 90 | 15 | 4 | 6 | 45,5 |
| Номинальный размер | Номинальный dia. применимой веревочки (ссылка) | ||
| Веревочка Манилы | Веревочка провода | ||
| 150 | 45 | 18 (6×12) | |
| 200 | 50 | 20 (6×12) | |
| 250 | 60 | 22,4 (6×l2) | |
| 300 | 70 | 24 (6×24) | |

Чертеж типа a JIS f 2007-1976

Чертеж типа b JIS f 2007-1976

