Тип сталь отливки Панама JIS f 2017-1982 AC установленная палубой душит оборудование зачаливания корабля
Описание:
Чурки Панамы популярны как причаливать оборудование, которое может стоять большие нагрузки причаливая корабли и сосуды. Hi-море может обеспечить 4 типа, среди которого тип AC JIS f 2017-1982, AP палуба установленная и JIS F 2017-1982type ДО РОЖДЕСТВА ХРИСТОВА, AC палуба установило бросая стальные чурки.
Главные технические данные:
1. Стандарт: JIS F 2017-1982
2. Тип: AC;
3. Ряд SWL: 30-100T;
4. Материалы: Сталь C-Mn отливки, бросая нержавеющая сталь, также может поставить особенную сталь для ледокола.
5. Вес: 184 к 422kg;
6. Поверхностное покрытие: sandblasting к S2.5 + один слой праймера магазина эпоксидной смолы, отполированной нержавеющей стали, подгонянного поверхностного покрытия доступного.
7. Сертификаты классификации: CCS, NK, BV, ABS, DNV-GL, LR, KR, RINA, IRS
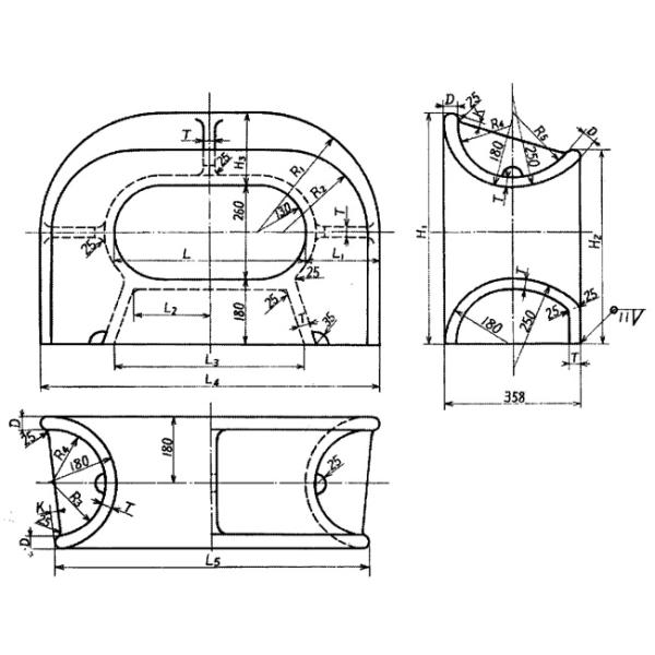
Основной технический параметр:
| Номинальный Размер |
L | L1 | L2 | L3 | L4 | L5 | D | H1 | H2 | H3 | R1 | R2 | R3 | R4 | R5 | K | T | Вес kg |
| 310 | 310 | 199 | 105 | 310 | 708 | 652 | 38 | 639 | 541 | 199 | 329 | 231 | 140 | 142 | 195 | 15 | 32 | 253 |
| 360 | 360 | 200 | 130 | 360 | 760 | 70 | 40 | 640 | 542 | 200 | 330 | 232 | 138 | 140 | 192 | 15 | 34 | 289 |
| 400 | 400 | 202 | 150 | 400 | 804 | 750 | 44 | 642 | 545 | 202 | 332 | 235 | 134 | 136 | 185 | 20 | 36 | 323 |
| 450 | 450 | 203 | 175 | 450 | 856 | 802 | 46 | 643 | 547 | 203 | 333 | 237 | 132 | 134 | 182 | 20 | 38 | 351 |
| 500 | 500 | 204 | 200 | 500 | 908 | 854 | 48 | 644 | 549 | 204 | 334 | 239 | 130 | 132 | 180 | 20 | 40 | 395 |

Чертеж типа стали отливки Панамы JIS f 2017-1982 AC установленной палубой душит оборудование зачаливания корабля

