Тип NS 2587 стальная пластина установленная фальшбортом изготовил сваренный корабль чурки причаливая оборудование
Описание:
Установленный фальшборт NS2587 причаливающ чурку иногда также вызвал трубу зачаливания NS2587, следовать строгой системой проверки качества. Он конструирован согласно норвежскому стандарту. Под этим стандартом, 4 типа чурок доступных, как чурки NS2587, NS2588 чурки, NS2589 чурки, NS2590chocks и они часто использованы в европейских странах. Поверхность чурки NS2587 ровна без burs или острых краев, которые помощь уменьшить трение причаливая веревочки. Но этот тип чурки не может удовлетворять требования комиссии Панамского Канала (PCC). Для этой чурки, он имеет 2 опционных номинальных размера. Тип a сваренная причаливая чурка. Он более часто использован в европейских странах чем в Азии. Морские пехотинцы YS обеспечивают причаливая чурку с нестандартной конструкцией и продукт имеет сертификат CCS, DNV, GL, KR, LR, NK, etc.
Главные технические данные:
1. Тип: Тип a сварил;
2. Материалы: Слабая сталь, нержавеющая сталь, также может поставить особенную сталь для ледокола.
3. Технический стандарт: NS 2587-1982
4. Вес: 15 к 80kg;
5. Поверхностное покрытие: sandblasting к S2.5 + один слой праймера магазина эпоксидной смолы, отполированной нержавеющей стали, подгонянного поверхностного покрытия доступного.
6. Сертификаты классификации: CCS, NK, BV, ABS, DNV-GL, LR, KR, IRS
Основной технический параметр:
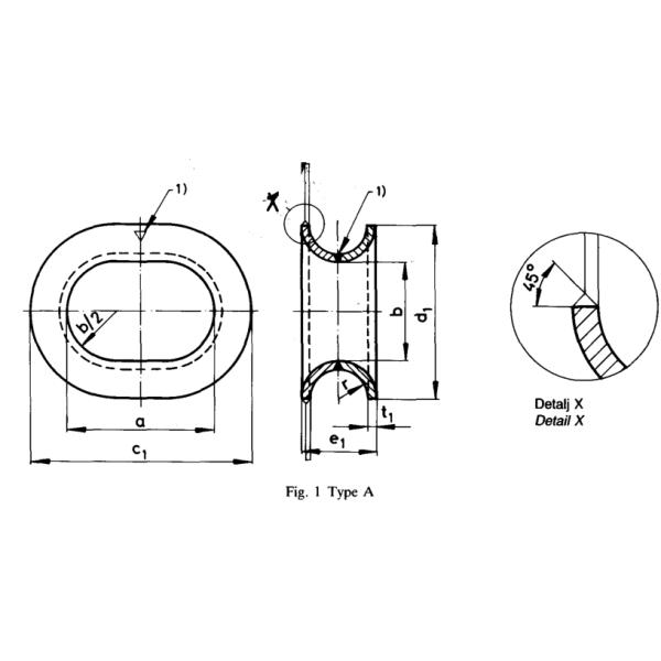
| Номинальный размер | a | b | C1 | d1 | e1 | r | t1 | Масса kg | Код нет. | 
| 200 x 150 | 200 | 50 | 330 | 280 | 130 | 49 | 16 | 15 | |
| 300 x 200 | 300 | 200 | 450 | 350 | 150 | 59 | 16 | 38,0 | |
| 400 x 250 | 400 | 250 | 590 | 440 | 190 | 75 | 20 | 80,0 | 

Рисовать типа фальшборта NS 2587 a установил чурку изготовленную стальной пластиной сваренную

