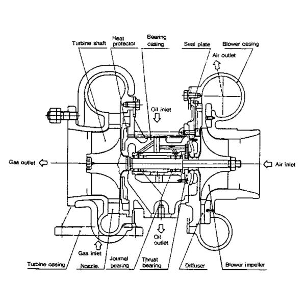
Турбокомпрессор выхлопных газов T-/T-RU110 представляет собой турбину радиального типа, в которой выхлопные газы двигателя проходят через сопло корпуса турбины, ускоряются и вдуваются на рабочее колесо турбины и обеспечивают валу турбины вращательное усилие.
Турбокомпрессор T-/T-RU110смазывается внешней системой смазки двигателя.
Крыльчатка нагнетателя турбонагнетателя T-/T-RU110, закрепленная на валу турбины, воспринимает вращающую силу, всасывает воздух, сжимает и подает его в цилиндры.
Метод уплотнения со стороны нагнетателя турбокомпрессора T-/T-RU110: для предотвращения утечек подаваемого воздуха и масла задняя часть (уплотнительная пластина) крыльчатки нагнетателя имеет двойную стенку и снабжена уплотнительным кольцом.
Упорный подшипник турбокомпрессора T-/T-RU110: из-за того, что на вал турбины постоянно воздействует усилие, упорный подшипник предотвращает перемещение вала.
Т-Я УДАРИЛ-Подшипник скольжения турбокомпрессора RU110: в турбокомпрессоре T-RU110 применяется подшипник скольжения плавающего типа.По сравнению с обычным фиксированным типом, на внутренней и внешней поверхностях подшипника образуется двойная масляная пленка, и подшипник производит последующее вращение, так что скорость скольжения поверхности подшипника становится ниже, чем скорость вращения вала турбины. что приводит к увеличению эффекта динамической стабилизации.
Т-Я УДАРИЛ-Турбокомпрессор RU110 широко используется в судовых двигателях и генераторах, а также в строительных машинах.
Серия T-/RU включает:
| Т-ИХИ | Серия Т-РУ |
| Т-РУ110 | |
| Т-РУ120 | |
| Т-РУ130 | |
| Т-РУ150 | |
| Т-РУ160 |
Конструкция турбокомпрессора T-/T-RU110:

Описание вала турбины турбокомпрессора/вала ротора:
Moban 3-1 независимо: Судовой турбокомпрессор, также известный как турбокомпрессор выхлопных газов, является основным оборудованием в системе наддува дизельного двигателя.Он состоит из одноступенчатой газотурбинной установки и центробежного компрессора.Они установлены на одном валу и образуют движущуюся часть морского турбокомпрессора/турбокомпрессора для отработавших газов - ротор.Функция морского турбокомпрессора/Турбокомпрессор отработавших газов должен использовать энергию выхлопных газов дизельного двигателя для привода турбины, чтобы приводить в действие компрессор на коаксиальном, чтобы увеличить давление воздуха в цилиндре, так что мощность дизельного двигателя значительно повышается.Турбонагнетатель примерно вдвое увеличивает мощность дизельного двигателя, но его вес увеличивается только на 10%.
Краткая информация о компании Marine Turbo:
Компания Marine Turbo специализируется на замене запасных частей турбокомпрессоров для морской, буровой и горнодобывающей промышленности уже более 20 лет с 1999 года, обслуживая сотни и тысячи клиентов со всего мира с премиальным качеством.товари быстрое обслуживание по предложению и доставке.У Marine Turbo есть более 100 моделей, чтобы клиенты могли быстро выбрать, какие из них подходят для замены запасных частей турбокомпрессора T-, T-, T-KBB, T-MET, T- и других марок.Среди них 90% модели продукта Marine Turbo имеют запасы, могут удовлетворить потребности в техническом обслуживании, ремонте или капитальном ремонте турбокомпрессора для различных брендов с быстрым реагированием и разумной ценой.
Marine Turbo также может предоставить услуги по настройке продукта для удовлетворения индивидуальных потребностей клиентов.В соответствии с образцом или чертежами, предоставленными клиентами, Marine Turbo может обрабатывать и производить соответствующие продукты, чтобы предоставлять клиентам качественные продукты по низкой цене.
Обладая более чем 20-летним производственным опытом, компания Marine Turbo поставляет широкий спектр запасных частей для судовых турбокомпрессоров в морской, буровой и горнодобывающей промышленности: морской турбокомпрессор в сборе, колесо компрессора / рабочее колесо, вал турбины, картридж, ротор в сборе, подшипниковый узел, сопловое кольцо. , диффузор, защитное кольцо, масляный насос, уплотнительная втулка, корпус компрессора, корпус подшипника, корпус турбины, глушитель, сервисные комплекты, инструменты и т. д....
| Т-АББ | Т-ВТР «0» «1» «4», П/Д/Э | |||||
| Т-ТПС44Д/Э/Ф | Т-ТПС48Д/Э/Ф | Т-ТПС52Д/Э/Ф | Т-ТПС57Д/Э/Ф | Т-ТПС61Д/Э/Ф | ||
| Т-ТПЛ65 | Т-ТПЛ69 | Т-ТПЛ73 | Т-ТПЛ77 | Т-ТПЛ80 | Т-ТПЛ85 | |
| Т-РР151 | Т-РР181 | |||||
| Т-А145-М | Т-А170 | |||||
| Т-МУЖЧИНА | Т-НР12/С | Т-НР15/Р | Т-НР17/С | Т-НР20 | Т-НР20/Р | Т-НР20/С |
| Т-НР24/Р | Т-НР24/С | Т-НР26/Р | Т-НР29/С | Т-НР34/С | ||
| Т-НА34Т/34С | ТНА40Т/40С | Т-НА48Т/48С | Т-НА57Т/57Т9 | Т-НА70Т/70Т9 | ||
| Т-ТКР12 | Т-ТКР16 | Т-ТКР18 | Т-ТКР20 | Т-ТКР22 | ||
| Т-ТСА44 | Т-ТСА55 | Т-ТСА66 | Т-ТСА77 | Т-ТСА88 | ||
| Т-МЕТ | Т-МЕТ18СРЦ | Т-МЕТ26СР | Т-МЕТ30СР | |||
| Т-МЕТ33СБ/СБИИ/СК/СД | Т-МЕТ35/35С/35СА/350 | Т-МЕТ42СБ/СБИИ/СК/СД/СЭ | Т-МЕТ45/45С/450 | T-MET53SB/SBII/SC/SD/SE | ||
| Т-МЕТ66СБ/СК/СД | 56С-Б | 560 | 60 мА | 66SB/SC/SD/SE/SEII | ||
| Т-МЕТ53СЕ | ||||||
| Т-МЕТ83СЕ | Т-МЕТ83СЕИИ | |||||
| Т-КББ | Т-HPR3000 | Т-HPR4000 | Т-HPR5000 | Т-HPR6000 | ||
| СЕРИЯ ST5 | ||||||
| Т-HRBR3-2 | Т-HRBR4-3 | |||||
| Т-ИХИ | Т-РХ133 | Т-РХ143 | Т-РХ163 | Т-РХ183 | Т-РХ203 | |
| Т-АТ14 | ||||||
| Т-РУ110 | Т-РУ120 |
Marine Turbo также может поставлять некоторые типы T/C Complete, такие как T-RH133/163, T-AT14, T-TCR12, T-TD08H и т. д.
В настоящее время у Marine Turbo есть запас оригинальных новых турбокомпрессоров в сборе: T-RH143 1 шт., T-RH163 1 шт., T-RH183 1 шт.;а также имеет запас для вторичного турбокомпрессора в комплекте: T-VTR714D 3 шт., T-NA57T7 2 шт., T-NA48/S 1 шт., T-NA48/T 2 шт., T-MET66SD 1 шт.
Запчасти для турбокомпрессоров Marine Turbo используются для питания всех типов судов, больших и малых, включая контейнеровозы, танкеры, грузовые суда, круизные лайнеры, буксиры и т. д., а также буровых дизельных двигателей, горнодобывающих машин с дизельными двигателями.
Все продукты Marine Turbo должны соответствовать всем нашим строгим процедурам и стандартам обеспечения качества как при получении от наших поставщиков, так и перед отправкой нашим многочисленным и уважаемым клиентам.Все блоки поставляются с полным отчетом об испытаниях и балансовым отчетом.
Завод Marine Turbo прошел сертификацию системы управления качеством ISO9000 в 2001 году, и большинство запасных частей турбокомпрессора сертифицированы CCS и GL.
Marine Turbo остается в вашем полном распоряжении для любых дальнейших запросов или вопросов.