Переливаться через край и общая серия BB муфты кулачка один подшипник муфты пути
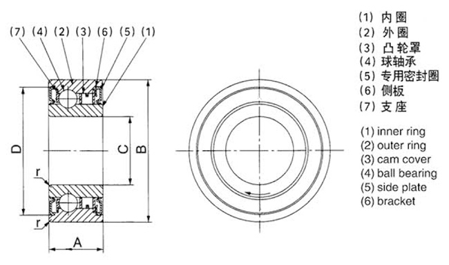
Муфты кулачка серии BB сочетание из шарикоподшипник 62 серий и муфта стиля кулачка. Эти блоки конструированы для применений пригонки прессы и доступны в 5 изменениях, экране металла сочетаний из или типе пыли защитном загерметизированном и с или без шпоночных соединений на внутренней и/или наружной гонке позволить дизайну и гибкости применения. Блоки серии BB приходят смазанным тавотом но металл защищал стиль можно приспособиться для смазки ванны масла.
Общая информация установки и использования для носить тип муфту кулачка
1. Носящ тип серию муфты кулачка конструируйте для установки пригонки прессы.
2. Серии BB-1K и BB-2GD 1K имеют шпоночное соединение на внутренней гонке. Шпоночные соединения, за исключением размера 25 изготовлены DIN 6885. 3, BB40-1K и BB40-2GD 1K изготовлено DIN 6885. 1.
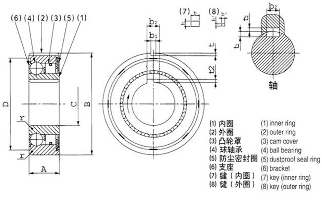
3. Серия BB-2K имеет шпоночное соединение и на внутренней и наружной гонке.
4. Правильные размеры взаимодействия на вале и снабжении жилищем необходимо поддерживать, что получили максимальное представление подшипника и муфты.
5. См. таблица в следующей странице для допуска вала и снабжения жилищем для каждой серии.
6. Серии BB-2GD и BB-2GD 1K имеют особенные уплотнения губы для эффективной защиты против пыли.
7. Стрелка на внутренней гонке показывает направление внутренней гонки включая.
8. Для установки муфты, используйте инструмент прессы соотвествующего диаметра для того чтобы придать даже давление над всей стороной внутренней и наружной гонки.
9. Не бейте молотком или не приложите другой удар к муфте.
10. Убеждайтесь что снабжение жилищем имеет достаточную прочность для того чтобы выдержать давление необходимо для установки прессы приспосабливая муфты.
11. Температурная амплитуда рабочей температуры: – 30°C к +100°C (советуйте с нами для температуры которая превышает этот ряд).
Смазка
1. В виду того что тавот уже приложен перед доставкой, никакая потребность примениться и смазаться перед использованием.
2. Если муфта использована со смазкой масла, то смазка масла должна быть приложена внутри блока всегда.
3. Не используйте тавоты или смазки с добавками EP.
Пример как к коду заказа: Базовое устроиство муфты кулачка серии BB
| Серия | Размер (удостоверение личности скважины.) | Конструкция | Спецификации | |||
| Носить серию | Внутри Dia. | Емкость вращающего момента | ||||
| lb.ft | (Nm) | |||||
| BB: Идеал для общих применений | 15 | Пробел: Экран металла на одной стороне, стопорном устройстве на другой стороне | 6202 | 15mm | 21 | (29) |
| 17 | 6203 | 17mm | 32 | (43) | ||
| 20 | 6204 | 20mm | 45 | (61) | ||
| 25 | 6205 | 25mm | 58 | (78) | ||
| 30 | 6206 | 30mm | 103 | (140) | ||
| 35 | 6207 | 35mm | 128 | (173) | ||
| 40 | 6208 | 40mm | 192 | (260) | ||
Пример как к коду заказа: Муфта кулачка серии BB с ключом & шпоночным соединением
| Серия | Размер (удостоверение личности скважины.) | Шпоночное соединение | Ключевые спецификации | |
|
Внутренняя гонка длина b x h x |
Наружная гонка длина h x b x |
|||
| BB: Идеал для общих применений | 15 |
K: Экран металла на одной стороне, стопорном устройстве на другой стороне. Шпоночное соединение на внутреннем диаметре муфты кулачка. Включает ключ.
KK: Экран металла на одной стороне, стопорном устройстве на другой стороне. Шпоночное соединение на внутреннем и внешнем диаметре муфты кулачка. Включает оба ключа
|
5 x 3 x 11 | 2 x 2 x 11 |
| 17 | 5 x 3 x 12 | 2 x 2 x 12 | ||
| 20 | 6 x 4 x 14 | 3 x 3 x 14 | ||
| 25 | 8 x 5 x 15 | 6 x 4 x 15 | ||
| 30 | 8 x 5 x 16 | 6 x 4 x 16 | ||
| 35 | 10 x 6 x 17 | 8 x 5 x 17 | ||
| 40 | 12 x 8 x 22 | 10 x 6 x 22 | ||
Пример как к коду заказа: Муфта кулачка серии BB с резиновыми уплотнениями
| Серия | Размер (удостоверение личности скважины.) | Конструкция | Спецификации | |||
| Носить серию | Внутри Dia. | Емкость вращающего момента | ||||
| lb.ft | (Nm) | |||||
| BB: Идеал для общих применений | 15 | GD: Резиновые стороны onboth уплотнений | 6202 | 15mm | 21 | (29) |
| 17 | 6203 | 17mm | 32 | (43) | ||
| 20 | 6204 | 20mm | 45 | (61) | ||
| 25 | 6205 | 25mm | 58 | (78) | ||
| 30 | 6206 | 30mm | 103 | (140) | ||
| 35 | 6207 | 35mm | 128 | (173) | ||
| 40 | 6208 | 40mm | 192 | (260) | ||
Пример как к коду заказа: Муфта кулачка серии BB с резиновыми уплотнениями и шпоночными соединениями
| Серия | Размер (удостоверение личности скважины.) | Конструкция | Шпоночное соединение | Ключевые спецификации | |
|
Внутренняя гонка длина b x h x |
Наружная гонка длина h x b x |
||||
| BB: Идеал для общих применений | 15 |
GD: Резиновые уплотнения на обеих сторонах
|
K: Шпоночное соединение на внутреннем диаметре муфты кулачка и включает ключ | 5 x 3 x 11 | 2 x 2 x 11 |
| 17 | 5 x 3 x 12 | 2 x 2 x 12 | |||
| 20 | 6 x 4 x 14 | 3 x 3 x 14 | |||
| 25 | 8 x 5 x 15 | 6 x 4 x 15 | |||
| 30 | 8 x 5 x 16 | 6 x 4 x 16 | |||
| 35 | 10 x 6 x 17 | 8 x 5 x 17 | |||
| 40 | 12 x 8 x 22 | 10 x 6 x 22 | |||
Размеры муфты кулачка серии BB:
| Тип | B | C | D (наружное удостоверение личности гонки.) | r | Давления на подшипник | ||||
| BB-1K-K BB-2K-K | BB-2GD BB-2GD 1K-K | BB-1K-K BB-2K-K | BB-2GD BB-2GD 1K-K | Динамический (n) | Статический (n) | ||||
| BB15 | 11 | 16 | 35 | 15 | 32,6 | 32,45 | 0,6 | 5950 | 3230 |
| BB17 | 12 | 17 | 40 | 17 | 36,1 | 36,45 | 0,6 | 7000 | 3700 |
| BB20 | 14 | 19 | 47 | 20 | 41,7 | 42,35 | 1,0 | 8500 | 4900 |
| BB25 | 15 | 20 | 52 | 25 | 47,1 | 47,05 | 1,0 | 10700 | 6300 |
| BB30 | 16 | 21 | 62 | 30 | 56,6 | 55,60 | 1,0 | 11900 | 7900 |
| BB35 | 17 | 22 | 72 | 35 | 64,0 | 64,60 | 1,1 | 13500 | 9700 |
| BB40 | 22 | 27 | 80 | 40 | 71,0 | 71,60 | 1,1 | 14500 | 11700 |
Спецификации:
| Тип | Емкость вращающего момента (Nm) | Вращающий момент сопротивления (Nm) | Максимальн Overrunning Скорость (rpm) | Чистый вес (g) | |||
| BB-1K-K BB-2K-K | BB-2GD BB-2GD 1K-K | Внутренняя гонка | Наружная гонка | BB-1K-K BB-2K-K | BB-2GD BB-2GD 1K-K | ||
| BB15 | 29 | 0,010 | 0,040 | 3600 | 2000 | 50 | 70 |
| BB17 | 43 | 0,010 | 0,050 | 3500 | 1900 | 80 | 100 |
| BB20 | 61 | 0,014 | 0,055 | 3000 | 1600 | 120 | 150 |
| BB25 | 78 | 0,017 | 0,055 | 2500 | 1400 | 150 | 200 |
| BB30 | 140 | 0,030 | 0,058 | 2000 | 1100 | 230 | 280 |
| BB35 | 173 | 0,034 | 0,060 | 1800 | 1000 | 320 | 410 |
| BB40 | 260 | 0,040 | 0,080 | 1800 | 900 | 400 | 600 |
Размеры шпоночного соединения и ключевого слота:
| Тип | b2js10 | t1 | t2 | b1js9 | t | Ключ внутренней гонки | Наружный ключ гонки | |
| BB15-1K-K | BB15-2GD 1K-K | 5,0 | 1,9 | 1,2 | - | - | - | - |
| BB15-2K-K | - | 2,0 | 0,6 | 5 x 3 x 11 | 2 x 2 x 11 | |||
| BB17-1K-K | BB17-2GD 1K-K | 5,0 | 1,9 | 1,2 | - | - | - | - |
| BB17-2K-K | - | 2,0 | 1,0 | 5 x 3 x 12 | 2 x 2 x 12 | |||
| BB20-1K-K | BB20-2GD 1K-K | 6,0 | 2,5 | 1,6 | - | - | - | - |
| BB20-2K-K | - | 3,0 | 1,5 | 6 x 4 x 14 | 3 x 3 x 14 | |||
| BB25-1K-K | BB25-2GD 1K-K | 8,0 | 3,6 | 1,5 | - | - | - | - |
| BB25-2K-K | - | 6,0 | 2,0 | 8 x 5 x 15 | 6 x 4 x 15 | |||
| BB30-1K-K | BB30-2GD 1K-K | 8,0 | 3,1 | 2,0 | - | - | - | - |
| BB30-2K-K | - | 6,0 | 2,0 | 8 x5 x 16 | 6 x 4 x 16 | |||
| BB35-1K-K | BB35-2GD 1K-K | 10,0 | 3,7 | 2,4 | - | - | - | - |
| BB35-2K-K | - | 8,0 | 2,5 | 10 x6 x 17 | 8x 5x 17 | |||
| BB40-1K-K | BB40-2GD 1K-K | 12,0 | 5,0 | 3,3 | - | - | - | - |
| BB40-2K-K | - | 10,0 | 3,0 | 12x 8 x 22 | 10 x6 x 22 | |||







Пример как к коду заказа: Муфта кулачка серии BB с ключом & шпоночным соединением
| Серия | Размер (удостоверение личности скважины.) | Шпоночное соединение | Ключевые спецификации | |
|
Внутренняя гонка длина b x h x |
Наружная гонка длина h x b x |
|||
| BB: Идеал для общих применений | 15 |
K: Экран металла на одной стороне, стопорном устройстве на другой стороне. Шпоночное соединение на внутреннем диаметре муфты кулачка. Включает ключ.
KK: Экран металла на одной стороне, стопорном устройстве на другой стороне. Шпоночное соединение на внутреннем и внешнем диаметре муфты кулачка. Включает оба ключа
|
5 x 3 x 11 | 2 x 2 x 11 |
| 17 | 5 x 3 x 12 | 2 x 2 x 12 | ||
| 20 | 6 x 4 x 14 | 3 x 3 x 14 | ||
| 25 | 8 x 5 x 15 | 6 x 4 x 15 | ||
| 30 | 8 x 5 x 16 | 6 x 4 x 16 | ||
| 35 | 10 x 6 x 17 | 8 x 5 x 17 | ||
| 40 | 12 x 8 x 22 | 10 x 6 x 22 | ||