Муфты подшашки подшипника рукава Backstopping муфты RSBW поддержанные
Тип RSBW тип подшашки DC freewheel. Он сдержанный, центризованный простыми подшипниками для низких вращательных скоростей и загерметизированный используя экран защитил колцеобразные уплотнения.
Блок поставленный тавот смазал готовое для установки в или горизонтальное или вертикальное положение. Главным образом использованный как backstop, этот тип обеспечивает высокую емкость вращающего момента с минимальным требованием к космоса. Дизайн позволяет установке в трудные окружающие среды как зоны выплеска высокой влажности или воды. Болт, обеспеченный к фиксированной части машины и проходить через слот в руке вращающего момента, обеспечивает вращательный стоп. Радиальный зазор на этом болте должен быть равен до 1 3% из ширины слота. Рука вращающего момента и подшипники необходимо поднапрячь.
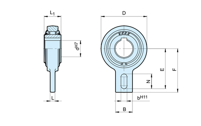
Поддержанный подшипник рукава, спецификации Backstopping муфт подшашки RSBW:
| Тип | Размер | Переливаться через край скорость | Размеры | Вес | ||||||||
| dH7 | TKN 1) | nimax | D | L 1 | F | E | B | N | L | bH11 | ||
| [mm] | [Nm] | [min-1] | [mm] | [mm] | [mm] | [mm] | [mm] | [mm] | [mm] | [mm] | [kg] | |
| RSBW20 | 20 | 300 | 400 | 106 | 35 | 113 | 102,5 | 40 | 35 | 15 | 18 | 2 |
| RSBW25 | 25 | 485 | 400 | 106 | 48 | 113 | 102,5 | 40 | 35 | 15 | 18 | 2,6 |
| RSBW30 | 30 | 485 | 400 | 106 | 48 | 113 | 102,5 | 40 | 35 | 15 | 18 | 2,5 |
| RSBW35M | 35M | 485 | 400 | 106 | 35 | 113 | 102,5 | 40 | 35 | 15 | 18 | 2 |
| RSBW35 | 35 | 606 | 400 | 106 | 48 | 113 | 102,5 | 40 | 35 | 15 | 18 | 2,4 |
| RSBW40 | 40 | 1035 | 300 | 132 | 52 | 125 | 115 | 60 | 35 | 15 | 18 | 4,6 |
| RSBW45 | 45 | 1035 | 300 | 132 | 52 | 125 | 115 | 60 | 35 | 15 | 18 | 4,5 |
| RSBW50 | 50 | 1035 | 300 | 132 | 52 | 125 | 115 | 60 | 35 | 15 | 18 | 4,5 |
| RSBW55 | 55 | 1035 | 300 | 132 | 52 | 125 | 115 | 60 | 35 | 15 | 18 | 4,4 |
| RSBW60 | 60 | 2040 | 250 | 161 | 54 | 140 | 130 | 70 | 35 | 15 | 18 | 6,5 |
| RSBW70 | 70 | 2040 | 250 | 161 | 54 | 140 | 130 | 70 | 35 | 15 | 18 | 6,4 |
| RSBW80 | 80 | 3900 | 200 | 190 | 70 | 165 | 150 | 70 | 45 | 20 | 25 | 9,9 |
| RSBW90 | 90 | 3900 | 200 | 190 | 70 | 165 | 150 | 70 | 45 | 20 | 25 | 9,9 |
Примечание:
1) Tmax =2.5 x TKN
2) Шпоночное соединение к DIN 6885,1

Устанавливать пример:







