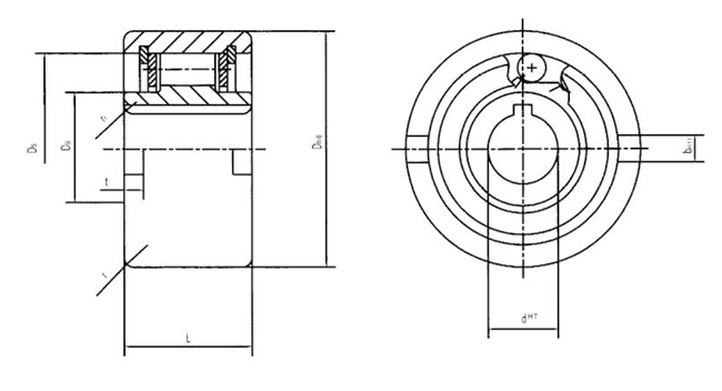
Путь пандуса одного ролика NF45 Freewheel Backstop муфт нося муфту кулачка
Тип NF тип ролика freewheel поддержанный не-подшипник. Необходимы, что поддерживают подшипники осевое и радиальные нагрузки. Смазка и запечатывание должны также быть предусмотрены установкой.
Стандартная смазка масло. Номинальный внешний диаметр стандартный размер шарикоподшипника. Типичное расположение установить этот тип наряду с подшипником с такими же расквартировывая допусками, как показано на следующую страницу. Пользуются ключом внутренняя гонка к валу. Наружная гонка имеет положительный допуск n6 для того чтобы дать пригонку прессы в снабжении жилищем H7*. Дополнительные бортовые зазубрины обеспечивают для положительной передачи вращающего момента.
Если расквартировывая допуск к K6*, то польза зазубрин не необходима, но снабжение жилищем должно быть сильно достаточно не расширить после собрания.
Путь пандуса одного ролика серии NF Freewheel спецификации муфт:
| Тип | Размеры скважины | Размер (mm) | Максимальн Вращающий момент (Nm) | Максимальн Overrunning Скорость (rpm) | Чистый вес (kg) | |||||||
| d | Dh6 | L | D5 | D6 | t | r | r1 | Внутренняя гонка | Наружная гонка | |||
| NF8 | 8 | 37 | 20 | 30 | 20 | 3 | 1,0 | 1,5 | 16 | 5000 | 6000 | 0,1 |
| NF12 | 12 | 37 | 20 | 30 | 20 | 3 | 1,0 | 1,5 | 16 | 5000 | 6000 | 0,1 |
| NF15 | 15 | 47 | 30 | 37 | 26 | 3,5 | 1,5 | 1,5 | 62 | 4500 | 5400 | 0,3 |
| NF20 | 20 | 62 | 36 | 52 | 37 | 3,5 | 2,0 | 2,0 | 150 | 3000 | 3600 | 0,6 |
| NF25 | 25 | 80 | 40 | 68 | 49 | 4 | 2,5 | 2,0 | 200 | 2200 | 2600 | 1,1 |
| NF30 | 30 | 90 | 48 | 75 | 52,5 | 5 | 2,5 | 2,0 | 400 | 1800 | 2100 | 1,6 |
| NF35 | 35 | 100 | 53 | 80 | 58 | 6 | 2,5 | 2,5 | 530 | 1600 | 1950 | 2,3 |
| NF40 | 40 | 110 | 63 | 90 | 62 | 7 | 3,0 | 2,5 | 880 | 1250 | 1700 | 3,1 |
| NF45 | 45 | 120 | 63 | 95 | 69 | 7 | 3,0 | 2,5 | 1200 | 1100 | 1500 | 3,7 |
| NF50 | 50 | 130 | 80 | 110 | 82 | 8,5 | 3,5 | 3,0 | 1900 | 850 | 1300 | 5,4 |
| NF55 | 55 | 140 | 80 | 115 | 83 | 9 | 3,5 | 3,5 | 2000 | 800 | 1200 | 6,1 |
| NF60 | 60 | 150 | 95 | 125 | 93,5 | 9 | 3,5 | 3,5 | 3400 | 700 | 1100 | 8,5 |
| NF70 | 70 | 170 | 110 | 140 | 106 | 9 | 3,5 | 3,5 | 4700 | 620 | 900 | 13 |
| NF80 | 80 | 190 | 125 | 160 | 122 | 9 | 4,0 | 3,5 | 8000 | 550 | 800 | 18 |
| NF90 | 90 | 215 | 140 | 180 | 133 | 11,5 | 4,0 | 4,0 | 13800 | 480 | 700 | 25,3 |
| NF100 | 100 | 260 | 150 | 210 | 157 | 14,5 | 4,0 | 4,0 | 15700 | 400 | 600 | 42,1 |
| NF130 | 130 | 300 | 180 | 240 | 188 | 17 | 5,0 | 5,0 | 27800 | 300 | 480 | 65 |
| NF150 | 150 | 320 | 180 | 260 | 205 | 17 | 5,0 | 5,0 | 35500 | 250 | 400 | 95 |





