Тип ролика роликоподшипника муфты пути AA одного Freewheel не поддержанный носить
Тип AA тип ролика freewheel поддержанный не-подшипник. Необходимы, что поддерживают подшипники осевое и радиальные нагрузки. Смазка и запечатывание должны также быть предусмотрены установкой.
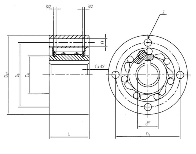
Стандартная смазка масло.
Пользуются ключом внутренняя гонка к валу. Пригонка для центризовать наружной гонки должна быть к допуску H7*.
Тип тип ролика AA freewheel не-подшипник поддержал спецификации:
| Тип | Размеры скважины | Размер (mm) | Максимальн Вращающий момент (Nm) | Максимальн Overrunning Скорость (rpm) | Чистый вес (kg) | |||||||||
| dH7 | Dh7 | L | D5 | D6 | D3 | z | O | f | s | Внутренняя гонка | Наружная гонка | |||
| AA12 | 12 | 47 | 20 | 28 | 20 | 38 | 3 | 5,5 | 0,5 | 4,5 | 17 | 3100 | 6000 | 0,21 |
| AA15 | 15 | 55 | 30 | 37 | 26 | 45 | 3 | 5,5 | 0,8 | 4,5 | 55 | 2300 | 5400 | 0,44 |
| AA20 | 20 | 68 | 34 | 50 | 35 | 58 | 4 | 5,5 | 0,8 | 5,5 | 146 | 2000 | 3600 | 0,7 |
| AA25 | 25 | 90 | 37 | 68 | 45 | 7 | 6 | 5,5 | 1 | 6,5 | 285 | 1700 | 2600 | 1,3 |
| AA30 | 30 | 100 | 44 | 75 | 50 | 87 | 6 | 6,6 | 1 | 6,5 | 500 | 1500 | 2100 | 2 |
| AA35 | 35 | 110 | 48 | 80 | 55 | 96 | 6 | 6,6 | 1 | 6,5 | 720 | 1300 | 1950 | 2,6 |
| AA40 | 40 | 125 | 56 | 90 | 60 | 108 | 6 | 9 | 1,5 | 7,6 | 1030 | 1200 | 1700 | 3,9 |
| AA45 | 45 | 130 | 56 | 95 | 65 | 112 | 8 | 9 | 1,5 | 7,6 | 1125 | 1050 | 1500 | 4 |
| AA50 | 50 | 150 | 63 | 110 | 75 | 132 | 8 | 9 | 1,5 | 7,6 | 2150 | 950 | 1300 | 6 |
| AA55 | 55 | 160 | 67 | 115 | 82 | 138 | 8 | 11 | 2 | 7,6 | 2675 | 850 | 1200 | 7,2 |
| AA60 | 60 | 170 | 78 | 125 | 90 | 150 | 10 | 11 | 2 | 7,6 | 3500 | 800 | 1100 | 9,2 |
| AA70 | 70 | 190 | 95 | 140 | 100 | 165 | 10 | 11 | 2,5 | 7,6 | 5813 | 650 | 900 | 11,8 |





