Служить фланцем опорный подшипник скольжения SUCFL204 подушки нержавеющей стали болта жилищных единиц 2
Описание этой серии:
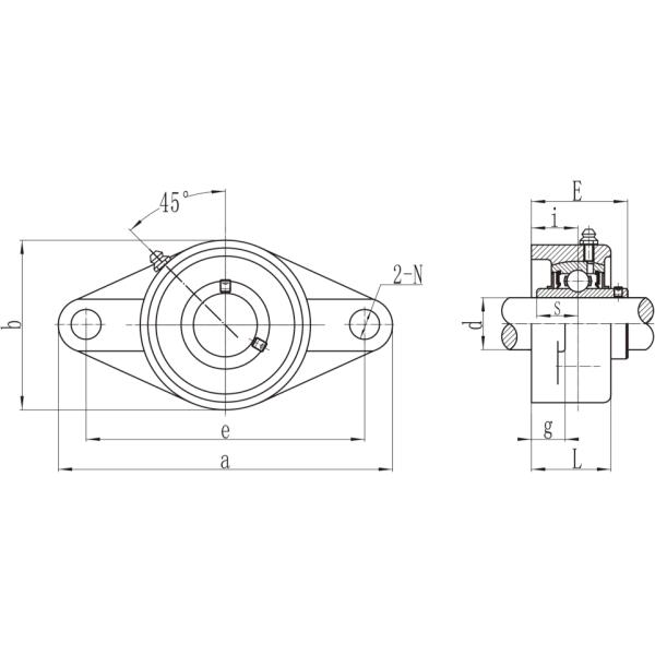
Служить фланцем уже установленные жилищные единицы серии SSUCFL2 (нержавеющей стали) состоят из расквартировывая подшипника сделанного из нержавеющей стали SSFL2 (2-hole) и носящ вставку SSUC2. Дизайн по мере того как фланцевый подшипник 2 отверстий позволяет установке в разнообразие применения, даже с ограниченным космосом на месте установки и соответствующий для высоких радиальных нагрузок. Снабжение жилищем сделано из нержавеющей стали и поэтому гигиеническое и коррозионностойкое. Нося вставка сделала из нержавеющей стали также коррозионностойка и имеет выдвинутое внутреннее кольцо с винтами с прорезом для устанавливать внутреннее кольцо на вале. Статические рассогласования можно компенсировать до угла 2°.
Главные особенности:
Служить фланцем жилищные единицы 2 спецификации серии болта SSUCFL2:
|
Номер детали блока азимута. |
Dia скважины | Размер (mm) |
Носить номер детали. |
Расквартировывать номер детали. |
Чистый вес (kg) |
|||||||||
| d | a | e |
I |
b |
g |
L |
N |
E |
S |
|||||
| в | mm | |||||||||||||
|
SUCFL201 SUCFL201-8 SUCFL202 SUCFL202-10 SUCFL203 SUCFL203-11 |
1/2
5/8
11/16 |
12
15
17 |
99 | 76,2 | 15 | 55 | 11 | 25,5 | 12 | 31 | 10 |
SUC201 SUC201-8 SUC202 SUC202-10 SUC203 SUC203-11 |
SFL203 | 0,56 |
| SUCFL204 SUCFL204-12 | 3/4 | 20 | 113 | 90 | 15 | 60 | 11 | 25,5 | 12 | 33,3 | 12,7 | SUC 204 SUC204-12 | SFL204 | 0,52 |
|
SUCFL205 SUCFL205-14 SUCFL205-15 SUCFL205-16 |
7/8 15/16 1 |
25 |
130 |
99 |
16 |
68 |
13 |
27 |
16 |
35,8 |
14,3 |
SUC205 SUC205-14 SUC205-15 SUC205-16 |
SFL205 |
0,64 |
|
SUCFL206 SUCFL206-17 SUCFL206-18 SUCFL206-19 SUCFL206-20 |
1-1/16 1-1/8 1-3/16 1-1/4 |
30 |
148 |
117 |
18 |
80 |
13 |
31 |
16 |
40,2 |
15,9 |
SUC206 SUC206-17 SUC206-18 SUC206-19 SUC206-20 |
SFL206 |
0,93 |
|
SUCFL207 SUCFL207-20 SUCFL207-21 SUCFL207-22 SUCFL207-23 |
1-1/4 1-5/16 1-3/8 1-7/16 |
35 |
161 |
130 |
19 |
90 |
15 |
34 |
16 |
44,4 |
17,5 |
SUC207 SUC207-20 SUC207-21 SUC207-22 SUC207-23 |
SFL207 |
1,20 |
|
SUCFL208 SUCFL208-24 SUCFL208-25 |
1-1/2 1-9/16 |
40 | 175 | 144 | 21 | 100 | 15 | 36 | 16 | 51,2 | 19,0 |
SUC208 SUC208-24 SUC208-25 |
SFL208 | 1,59 |
|
SUCFL209 SUCFL209-26 SUCFL209-27 SUCFL209-28 |
1-5/8 1-11/16 1-3/4 |
45 |
188 |
148 |
22 |
108 |
16 |
38 |
19 |
52,2 |
19,0 |
SUC209 SUC209-26 SUC209-27 SUC209-28 |
SFL209 |
1,84 |
|
SUCFL210 SUCFL210-29 SUCFL210-30 SUCFL210-31 SUCFL210-32 |
1-13/16 1-7/8 1-15/16 2 |
50 |
197 |
157 |
22 |
115 |
16 |
40 |
19 |
54,6 |
19,0 |
SUC210 SUC210-29 SUC210-30 SUC210-31 SUC210-32 |
SFL210 |
2,15 |
|
SUCFL211 SUCFL211-32 SUCFL211-33 SUCFL211-34 SUCFL211-35 |
2 2-1/16 2-1/8 2-3/16 |
55 |
224 |
184 |
25 |
130 |
19 |
43 |
19 |
58,4 |
22,2 |
SUC211 SUC211-32 SUC211-33 SUC211-34 SUC211-35 |
SFL211 |
3,10 |
|
SUCFL212 SUCFL212-36 SUCFL212-37 SUCFL212-38 SUCFL212-39 |
2-1/4 2-5/16 2-3/8 2-7/16 |
60 |
250 |
202 |
29 |
140 |
20 |
48 |
23 |
68,7 |
25,4 |
SUC212 SUC212-36 SUC212-37 SUC212-38 SUC212-39 |
SFL212 |
3,99 |
|
SUCFL213 SUCFL213-40 SUCFL213-41 |
2-1/2 2-9/16 |
65 | 258 | 210 | 30 | 155 | 22 | 50 | 23 | 69,7 | 25,4 |
SUC213 SUC213-40 SUC213-41 |
SFL213 | 4,96 |
|
SUCFL214 SUCFL214-42 SUCFL214-43 SUCFL214-44 |
2-5/8 2-11/16 2-3/4 |
70 |
265 |
216 |
31 |
160 |
22 |
54 |
23 |
75,4 |
30,2 |
SUC214 SUC214-42 SUC214-43 SUC214-44 |
SFL214 |
5,60 |
|
SUCFL215 SUCFL215-45 SUCFL215-46 SUCFL215-47 SUCFL215-48 |
2-13/16 2-7/8 2-15/16 3 |
75 |
275 |
225 |
34 |
165 |
22 |
56 |
23 |
78,5 |
33,3 |
SUC215 SUC215-45 SUC215-46 SUC215-47 SUC215-48 |
SFL215 |
6,21 |
| SUCFL216 SUCFL216-50 | 3-1/8 | 80 | 290 | 233 | 34 | 180 | 22 | 58 | 25 | 83,3 | 33,3 | SUC216 SUC216-50 | SFL216 | 7,69 |
|
SUCFL217 SUCFL217-52 |
3-1/4 | 85 | 305 | 248 | 36 | 190 | 24 | 63 | 25 | 87,6 | 34,1 |
SUC217 SUC217-52 |
SFL217 | 9,15 |
|
SUCFL218 SUCFL218-56 |
3-1/2 | 90 | 320 | 265 | 40 | 205 | 24 | 68 | 25 | 96,3 | 39,7 |
SUC218 SUC218-56 |
SFL218 | 10,95 |




