Блоки азимута нержавеющей стали служат фланцем расквартировывающ установленные отверстия SUCF308 шарикоподшипника 4
Нержавеющая сталь установила блоки шарикоподшипника главным образом запланирована для пользы в зонах где влага или агрессивные средства массовой информации серьезно ухудшают срок службы обычных блоков шарикоподшипника сделанных из вставок литого железа и подшипника сделанных из хромовой стали. Они особенно соответствующие для машин в еде, фармацевтический, и химических промышленностях. Furthermore они также представляют идеальное решение где частая чистка с водой или химическими веществами необходима или подшипники использованы outdoors.
Преимущество: Самая лучшая коррозионная устойчивость представления, безопасность санобработки. Долгосрочная экономия на затратах.
Основные особенности:
- Снабжение жилищем сделало высококачественной нержавеющей стали 304, твердого низкопробного или неубедительного основания.
- Ровная простая поверхность блеска поверхности или руки.
- Шарикоподшипники вставки сделали из высококачественной нержавеющей стали 440 или 420.
- Шарикоподшипники вставки с более широким или узким внутренним кольцом, запирая стиль доступный с setscrew запирая, эксцентричный воротник запирая, концентрический воротник запирая и запирать закрепительной втулки.
- Фабрика пре-lubed с тавотом качества еды или тавотом индустрии.
- Доступный с крышками конца сделанными из нержавеющей стали или пластиковыми, открытыми или близкими.
- Уплотнения задней части NBR доступные для типов блока и фланца подушки.
Главные программы:
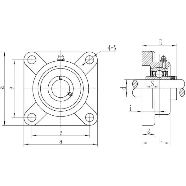
Блоки азимута нержавеющей стали 4 отверстия служат фланцем расквартировывающ спецификации серии SUCF3:
|
Номер детали блока азимута. |
Dia скважины | Размер (mm) |
Носить номер детали. |
Расквартировывать номер детали. |
Чистый вес (kg) |
||||||||
| d | a | e |
I |
g |
L |
N |
E |
S |
|||||
| в | mm | ||||||||||||
| SUCF305 SUCF305-14 SUCF305-15 SUCF305-16 |
7/8 15/16 1 |
25 |
110 |
80 |
16 |
13 |
29 |
16 |
39 |
15 |
SUC305 SUC305-14 SUC305-15 SUC305-16 |
SF305 |
1,52 |
|
SUCF306 SUCF306-18 SUCF306-19 |
1-1/8 1-3/16 |
30 |
125 |
95 |
18 |
15 |
32 |
16 |
44 |
17 |
SUC306 SUC306-18 SUC306-19 |
SF306 |
1,92 |
|
SUCF307 SUCF307-20 SUCF307-21 SUCF307-22 |
1-1/4 1-5/16 1-3/8 |
35 |
135 |
100 |
20 |
16 |
36 |
19 |
49 |
19,0 |
SUC307 SUC307-20 SUC307-21 SUC307-22 |
SF307 |
2,66 |
| SUCF308 SUCF308-24 SUCF308-25 |
1-1/2 1-9/16 |
40 |
150 |
112 |
23 |
17 |
40 |
19 |
56 |
19,0 |
SUC308 SUC308-24 SUC308-25 |
SF308 |
3,50 |
|
SUCF309 SUCF309-26 SUCF309-27 SUCF309-28 |
1-5/8 1-11/16 1-3/4 |
45 |
160 |
125 |
25 |
18 |
44 |
19 |
60 |
22 |
SUC309 SUC309-26 SUC309-27 SUC309-28 |
SF309 |
4,68 |
| SUCF310 SUCF310-30 SUCF310-31 |
1-7/8 1-15/16 |
50 |
175 |
132 |
28 |
19 |
48 |
23 |
67 |
22 |
SUC310 SUC310-30 SUC310-31 |
SF310 |
6,44 |
|
SUCF311 SUCF311-32 SUCF311-34 SUCF311-35 |
2 2-1/8 2-3/16 |
55 |
185 |
140 |
30 |
20 |
52 |
23 |
71 |
25 |
SUC311 SUC311-32 SUC311-34 SUC311-35 |
SF311 |
7,69 |
|
SUCF312 SUCF312-36 SUCF312-38 SUCF312-39 |
2-1/4 2-3/8 2-7/16 |
60 |
195 |
150 |
33 |
22 |
56 |
23 |
78 |
26 |
SUC312 SUC312-36 SUC312-38 SUC312-39 |
SF312 |
9,40 |
|
SUCF313 SUCF313-40 |
2-1/2 |
65 | 208 | 166 | 33 | 22 | 58 | 23 | 78 | 30 |
SUC313 SUC313-40 |
SF313 | 11,70 |
|
SUCF314 SUCF314-44 |
2-3/4 |
70 | 226 | 178 | 36 | 25 | 61 | 25 | 81 | 33 |
SUC314 SUC314-44 |
SF314 | 13,40 |
|
SUCF315 SUCF315-48 |
3 |
75 | 236 | 184 | 39 | 25 | 66 | 25 | 89 | 32 |
SUC315 SUC315-48 |
SF315 | 15,40 |
|
SUCF316 SUCF316-50 |
3-1/8 |
80 | 250 | 196 | 38 | 27 | 68 | 31 | 90 | 34 |
SUC316 SUC316-50 |
SF316 | 14,75 |
|
SUCF317 SUCF317-52 |
3-1/4 |
85 | 260 | 204 | 44 | 27 | 74 | 31 | 100 | 40 |
SUC317 SUC317-52 |
SF317 | 17,70 |
|
SUCF318 SUCF318-56 |
3-1/2 |
90 | 280 | 216 | 44 | 30 | 76 | 35 | 100 | 40 |
SUC318 SUC318-56 |
SF318 | 21,10 |
|
SUCF319 SUCF319-60 |
3-3/4 |
95 | 290 | 228 | 59 | 30 | 94 | 35 | 121 | 41 |
SUC319 SUC319-60 |
SF319 | 23,25 |
|
SUCF320 SUCF320-64 |
4 |
100 | 310 | 242 | 59 | 32 | 94 | 38 | 125 | 42 |
SUC320 SUC320-64 |
SF320 | 26,28 |
| SUCF321 | / | 105 | 310 | 242 | 59 | 32 | 94 | 38 | 127 | 44 | SUC321 | SF321 | 27,3 |
| SUCF322 | / | 110 | 340 | 266 | 60 | 35 | 96 | 41 | 131 | 46 | SUC322 | SF322 | 37,5 |
| SUCF324 | / | 120 | 370 | 290 | 65 | 40 | 110 | 41 | 140 | 51 | SUC324 | SF324 | 48,7 |
| SUCF326 | / | 130 | 410 | 320 | 65 | 45 | 115 | 41 | 146 | 54 | SUC326 | SF326 | 62,3 |
| SUCF328 | / | 140 | 450 | 350 | 75 | 55 | 125 | 41 | 161 | 59 | SUC328 | SF328 | 89,7 |




