Повысьте нержавеющую сталь опорного подшипника скольжения подушки вводит 2 отверстия служите фланцем SUCPH201
Блоки шарикоподшипника блока подушки MOUETTE (plummer) состоят из носить вставки установленный в снабжении жилищем, которое можно скрепить болтами к поверхности поддержки. Дизайны стандартного блока расквартировывая включают литое железо, смеси, отжатую сталь и материалы нержавеющей стали.
Мы можем поставить вас весь ряд гнезда под подшипник в нержавеющей стали, хромовой стали, пластмассе и другие материальные клиенты требовали. Мы можем сделать и снабжение жилищем метрическое и дюймом с определенными размерами для различных рынков.
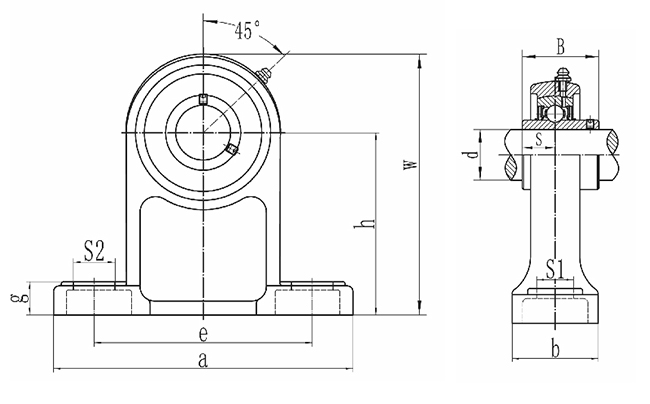
2 отверстия служат фланцем для того чтобы повысить нержавеющую сталь опорного подшипника скольжения подушки вводят спецификации серии SUCPH2:
|
Номер детали блока азимута. |
Dia скважины | Размер (mm) |
Носить номер детали. |
Расквартировывать номер детали. |
Чистый вес (kg) |
||||||||||
| d | h | a | e | b | S1 | S2 | g | W | S | B | |||||
| в | mm | ||||||||||||||
| SUCPH201 SUCPH201-8 SUCPH202 SUCPH202-10 SUCPH203 SUCPH203-11 |
1/2
5/8
11/16 |
12
15
17 |
70 |
125 |
95 |
40 |
13 |
19 |
15 |
101 |
12,7 |
31 |
SUC201 SUC201-8 SUC202 SUC202-10 SUC203 SUC203-11 |
SPH203 |
1,00 |
| SUCPH204 SUCPH204-12 |
3/4 |
20 | 70 | 127 | 95 | 40 | 13 | 19 | 15 | 101 | 12,7 | 31 | SUC204 SUC204-12 | SPH204 | 0,95 |
|
SUCPH205 SUCPH205-14 SUCPH205-15 SUCPH205-16 |
7/8 15/16 1 |
25 |
80 |
140 |
105 |
50 |
13 |
19 |
16 |
114 |
14,3 |
34,1 |
SUC205 SUC205-14 SUC205-15 SUC205-16 |
SPH205 |
1,20 |
|
SUCPH206 SUCPH206-17 SUCPH206-18 SUCPH206-19 SUCPH206-20 |
1-1/16 1-1/8 1-3/16 1-1/4 |
30 |
90 |
160 |
121 |
50 |
17 |
21 |
18 |
130 |
15,9 |
38,1 |
SUC206 SUC206-17 SUC206-18 SUC206-19 SUC206-20 |
SPH206 |
1,89 |
|
SUCPH207 SUCPH207-20 SUCPH207-21 SUCPH207-22 SUCPH207-23 |
1-1/4 1-5/16 1-3/8 1-7/16 |
35 |
95 |
167 |
127 |
60 |
17 |
21 |
19 |
140 |
17,5 |
42,9 |
SUC207 SUC207-20 SUC207-21 SUC207-22 SUC207-23 |
SPH207 |
2,39 |
|
SUCPH208 SUCPH208-24 SUCPH208-25 |
1-1/2 1-9/16 |
40 | 100 | 181 | 137 | 68 | 17 | 25 | 19 | 150 | 19,0 | 49,2 |
SUC208 SUC208-24 SUC208-25 |
SPH208 | 2,79 |
|
SUCPH209 SUCPH209-26 SUCPH209-27 SUCPH209-28 |
1-5/8 1-11/16 1-3/4 |
45 |
105 |
190 |
146 |
70 |
17 |
25 |
20 |
158 |
19,0 |
49,2 |
SUC209 SUC209-26 SUC209-27 SUC209-28 |
SPH209 |
3,18 |
|
SUCPH210 SUCPH210-29 SUCPH210-30 SUCPH210-31 SUCPH210-32 |
1-13/16 1-7/8 1-15/16 2 |
50 |
110 |
206 |
159 |
70 |
20 |
25 |
22 |
165 |
19,0 |
51,6 |
SUC210 SUC210-29 SUC210-30 SUC210-31 SUC210-32 |
SPH210 |
3,68 |
|
SUCPH211 SUCPH211-32 SUCPH211-33 SUCPH211-34 SUCPH211-35 |
2 2-1/16 2-1/8 2-3/16 |
55 |
120 |
220 |
171 |
75 |
20 |
25 |
22 |
181 |
22,2 |
55,6 |
SUC211 SUC211-32 SUC211-33 SUC211-34 SUC211-35 |
SPH211 |
4,94 |
|
SUCPH212 SUCPH212-36 SUCPH212-37 SUCPH212-38 SUCPH212-39 |
2-1/4 2-5/16 2-3/8 2-7/16 |
60 |
130 |
235 |
184 |
85 |
20 |
25 |
25 |
197 |
25,4 |
65,1 |
SUC212 SUC212-36 SUC212-37 SUC212-38 SUC212-39 |
SPH212 |
6,38 |
|
SUCPH213 SUCPH213-40 SUCPH213-41 |
2-1/2 2-9/16 |
65 | 140 | 262 | 203 | 95 | 23 | 28 | 27 | 212 | 25,4 | 65,1 |
SUC213 SUC213-40 SUC213-41 |
SPH213 | 7,42 |
|
SUCPH214 SUCPH214-42 SUCPH214-43 SUCPH214-44 |
2-5/8 2-11/16 2-3/4 |
70 |
150 |
268 |
210 |
105 |
23 |
28 |
28 |
225 |
30,2 |
74,6 |
SUC214 SUC214-42 SUC214-43 SUC214-44 |
SPH214 |
8,22 |
|
SUCPH215 SUCPH215-45 SUCPH215-46 SUCPH215-47 SUCPH215-48 |
2-13/16 2-7/8 2-15/16 3 |
75 |
160 |
275 |
217 |
115 |
23 |
28 |
29 |
238 |
33,3 |
77,8 |
SUC215 SUC215-45 SUC215-46 SUC215-47 SUC215-48 |
SPH215 |
9,63 |
|
SUCPH216 SUCPH216-50 |
3-1/8 |
80 | 170 | 290 | 232 | 125 | 23 | 28 | 30 | 253 | 33,3 | 82,6 |
SUC216 SUC216-50 |
SPH216 | 11,02 |




