Все блоки азимута нержавеющей стали служат фланцем Setscrew блоков патрона запирая SUCFC208
Коррозионностойкая серия доступна в широком массиве размеров и стилей, и блоки могут быть подгоняны с несколькими различных специализированных вариантов для того чтобы приспособить виртуально любое применение. Наши коррозионностойкие все блоки азимута нержавеющей стали идеальная пригонка для разнообразие применений, включая пищевую промышленность, консервировать, разливать по бутылкам, индустрию фармации, химикат обрабатывая, оборудование меля, смешивая, штранг-прессование, кладущ в мешки и транспортирующ и больше. Коррозионностойкие материалы и помощь смазки качества еды повысить продовольственную безопасность и uptime продукции. Эти продукты также поставляют улучшенную надежность и защищают против разнообразие влажных - и - сухих загрязняющих елементов, драматически для того чтобы улучшить носить жизнь пока уменьшающ производственные затраты.
SSUCFC2 все блоки патрона фланца нержавеющей стали, запирать Setscrew
Установленные спецификации:
| Материал: | |
| Снабжение жилищем | Нержавеющая сталь 304, 440, 420 |
| Штуцеры Zerk | Нержавеющая сталь 304 |
| Введите носить | Нержавеющая сталь 440,420 |
| Стальной шарик | Нержавеющая сталь 440, 420 |
| Стопорное устройство | Нержавеющая сталь 201 |
| Уплотнение | Уплотнение кремния резиновое |
| Смазка | Тавот Mobil FM222 качества еды |
| Другие особенности: | |
| 1. наружное кольцо с пазом и отверстиями тавота, на такой же стороне setscrew. | |
| 2. Со штырем анти--вращения на противоположной стороне setscrew. | |
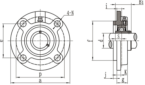
Все блоки азимута нержавеющей стали вокруг спецификаций серии блоков SUCFC2 патрона фланца:
|
Номер детали блока азимута. |
Dia скважины | Размер (mm) |
Носить номер детали. |
Расквартировывать номер детали. |
Чистый вес (kg) |
|||||||||||
| d | a | p | e |
I |
f |
N |
g | j |
k |
Bi |
S |
|||||
| в | mm | |||||||||||||||
|
SUCFC201 SUCFC201-8 SUCFC202 SUCFC202-10 SUCFC203 SUCFC203-11 |
1/2
5/8
11/16 |
12
15
17
|
100 | 78 | 55,1 | 10 | 62 | 12 | 20,5 | 5 | 7 | 31 | 12,7 |
SUC201 SUC201-8 SUC202 SUC202-10 SUC203 SUC203-11 |
SFC203 | 1,00 |
|
SUCFC204 SUCFC204-12 |
3/4 |
20 | 100 | 78 | 55,1 | 10 | 62 | 12 | 20,5 | 5 | 7 | 31 | 12,7 |
SUC204 SUC204-12 |
SFC204 | 0,96 |
|
SUCFC205 SUCFC205-14 SUCFC205-15 SUCFC205-16 |
7/8 15/16 1 |
25 |
115 |
90 |
63,6 |
10 |
70 |
12 |
21 |
6 |
7 |
34,1 |
14,3 |
SUC205 SUC205-14 SUC205-15 SUC205-16 |
SFC205 |
1,24 |
|
SUCFC206 SUCFC206-17 SUCFC206-18 SUCFC206-19 SUCFC206-20 |
1-1/16 1-1/8 1-3/16 1-1/4 |
30 |
125 |
100 |
70,7 |
10 |
80 |
12 |
23 |
8 |
8 |
38,1 |
15,9 |
SUC206 SUC206-17 SUC206-18 SUC206-19 SUC206-20 |
SFC206 |
1,66 |
|
SUCFC207 SUCFC207-20 SUCFC207-21 SUCFC207-22 SUCFC207-23 |
1-1/4 1-5/16 1-3/8 1-7/16 |
35 |
135 |
110 |
77,8 |
11 |
90 |
14 |
26 |
8 |
9 |
42,9 |
17,5 |
SUC207 SUC207-20 SUC207-21 SUC207-22 SUC207-23 |
SFC207 |
2,11 |
|
SUCFC208 SUCFC208-24 SUCFC208-25 |
1-1/2 1-9/16 |
40 | 145 | 120 | 84,8 | 11 | 100 | 14 | 26 | 10 | 9 | 49,2 | 19,0 |
SUC208 SUC208-24 SUC208-25 |
SFC208 | 2,48 |
|
SUCFC209 SUCFC209-26 SUCFC209-27 SUCFC209-28 |
1-5/8 1-11/16 1-3/4 |
45 |
160 |
132 |
93,3 |
10 |
105 |
16 |
26 |
12 |
14 |
49,2 |
19,0 |
SUC209 SUC209-26 SUC209-27 SUC209-28 |
SFC209 |
3,35 |
|
SUCFC210 SUCFC210-29 SUCFC210-30 SUCFC210-31 SUCFC210-32 |
1-13/16 1-7/8 1-15/16 2 |
50 |
165 |
138 |
97,6 |
10 |
110 |
16 |
28 |
12 |
14 |
51,6 |
19,0 |
SUC210 SUC210-29 SUC210-30 SUC210-31 SUC210-32 |
SFC210 |
3,58 |
|
SUCFC211 SUCFC211-32 SUCFC211-33 SUCFC211-34 SUCFC211-35 |
2 2-1/16 2-1/8 2-3/16 |
55 |
185 |
150 |
106,1 |
13 |
125 |
19 |
31 |
12 |
15 |
55,6 |
22,2 |
SUC211 SUC211-32 SUC211-33 SUC211-34 SUC211-35 |
SFC211 |
5,07 |
|
SUCFC212 SUCFC212-36 SUCFC212-37 SUCFC212-38 SUCFC212-39 |
2-1/4 2-5/16 2-3/8 2-7/16 |
60 |
195 |
160 |
113,1 |
17 |
135 |
19 |
36 |
12 |
15 |
65,1 |
25,4 |
SUC212 SUC212-36 SUC212-37 SUC212-38 SUC212-39 |
SFC212 |
5,97 |
|
SUCFC213 SUCFC213-40 SUCFC213-41 |
2-1/2 2-9/16 |
65 | 205 | 170 | 120,2 | 16 | 145 | 19 | 36 | 14 | 15 | 65,1 | 25,4 |
SUC213 SUC213-40 SUC213-41 |
SFC213 | 6,50 |
|
SUCFC214 SUCFC214-42 SUCFC214-43 SUCFC214-44 |
2-5/8 2-11/16 2-3/4 |
70 |
215 |
177 |
125,1 |
17 |
150 |
19 |
40 |
14 |
18 |
74,6 |
30,2 |
SUC214 SUC214-42 SUC214-43 SUC214-44 |
SFC214 |
7,86 |
|
SUCFC215 SUCFC215-45 SUCFC215-46 SUCFC215-47 SUCFC215-48 |
2-13/16 2-7/8 2-15/16 3 |
75 |
220 |
184 |
130,1 |
18 |
160 |
19 |
40 |
16 |
18 |
77,8 |
33,3 |
SUC215 SUC215-45 SUC215-46 SUC215-47 SUC215-48 |
SFC215 |
8,59 |
| SUCFC216 SUCFC216-50 |
3-1/8 |
80 | 240 | 200 | 141,4 | 18 | 170 | 23 | 42 | 16 | 18 | 82,6 | 33,3 | SUC216 SUC216-50 | SFC216 | 10,52 |
|
SUCFC217 SUCFC217-52 |
3-1/4 |
85 | 250 | 208 | 147,1 | 18 | 180 | 23 | 45 | 18 | 20 | 85,7 | 34,1 |
SUC217 SUC217-52 |
SFC217 | 12,46 |
|
SUCFC218 SUCFC218-56 |
3-1/2 |
90 | 265 | 220 | 155,5 | 22 | 190 | 23 | 50 | 18 | 20 | 96 | 39,7 |
SUC218 SUC218-56 |
SFC218 | 14,83 |




