Круглый опорный подшипник скольжения подушки нержавеющей стали отверстий SUCFCX06 блоков 4 фланцевого подшипника
Блоки шарикоподшипника состоят из носить вставки установленный в снабжении жилищем. Носить вставки глубокий шарикоподшипник паза с sphered (выпуклой) внешней поверхностью и выдвинутым внутренним кольцом которое включает механизм для того чтобы запереть блок на вал. Снабжения жилищем имеют соответственно sphered но вогнутую скважину.
MOUETTE главным образом произвело снабжение жилищем и вводит подшипники в нержавеющую сталь; или подшипники вставки в нержавеющей стали, но расквартировывать в термопластиковом материале (PBT). Этот высокопроизводительный блок азимута решения для самых требовательных окружающих сред еды и напитка.
Главные программы:
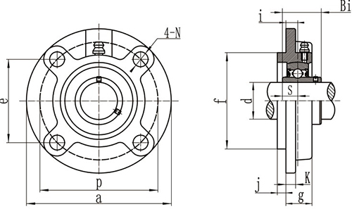
4 отверстия вокруг спецификаций серии опорного подшипника скольжения SUCFCX00 подушки блоков фланцевого подшипника:
|
Номер детали блока азимута. |
Dia скважины | Размер (mm) |
Чистый вес (kg) |
|||||||||||
| d | a | p | e |
I |
f |
N |
g | j |
k |
Bi |
S |
|||
| в | mm | |||||||||||||
| SUCFCX05 SUCFCX05-14 SUCFCX05-15 SUCFCX05-16 |
7/8 15/16 1 |
25
|
111 |
92 |
65 |
10 |
76,2 |
9,5 |
24 |
6 |
9,5 |
38,1 |
15,9 |
1,06 |
|
SUCFCX06 SUCFCX06-17 SUCFCX06-18 SUCFCX06-19 SUCFCX06-20 |
1-1/8 1-3/16 1-1/4 |
30
|
127 |
105 |
74,2 |
8 |
85,7 |
12 |
22,5 |
9,5 |
9,5 |
42,9 |
17,5 |
1,46 |
|
SUCFCX07 SUCFCX07-20 SUCFCX07-21 SUCFCX07-22 SUCFCX07-23 |
1-1/4 1-5/16 1-3/8 1-7/16 |
35
|
133 |
111 |
78,5 |
9 |
92,1 |
12 |
26 |
11 |
11 |
49,2 |
19,0 |
1,88 |
|
SUCFCX08 SUCFCX08-24 SUCFCX08-25 |
1-1/2 1-9/16 |
40
|
133 | 111 | 78,5 | 9 | 92,1 | 12 | 26 | 11 | 11 | 49,2 | 19,0 | 1,85 |
|
SUCFCX09 SUCFCX09-26 SUCFCX09-27 SUCFCX09-28 |
1-5/8 1-11/16 1-3/4 |
45
|
155 |
130 |
91,9 |
8 |
108 |
14 |
25 |
12 |
11 |
51,6 |
19,0 |
2,73 |
|
SUCFCX10 SUCFCX10-29 SUCFCX10-30 SUCFCX10-31 SUCFCX10-32 |
1-13/16 1-7/8 1-15/16 2 |
50
|
162 |
136 |
96,2 |
7 |
114,3 |
14 |
25 |
16 |
11 |
55,6 |
22,2 |
3,13 |
|
SUCFCX11 SUCFCX11-32 SUCFCX11-33 SUCFCX11-34 SUCFCX11-35 |
2 2-1/16 2-1/8 2-3/16 |
55
|
180 |
152 |
107,5 |
4 |
127 |
16 |
26 |
22 |
13 |
65,1 |
25,4 |
4,23 |
|
SUCFCX12 SUCFCX12-36 SUCFCX12-37 SUCFCX12-38 SUCFCX12-39 |
2-1/4 2-5/16 2-3/8 2-7/16 |
60
|
194 |
165 |
116,7 |
11 |
139,7 |
16 |
33 |
20 |
14 |
65,1 |
25,4 |
5,30 |
|
SUCFCX13 SUCFCX13-40 SUCFCX13-41 |
2-1/2 2-9/16 |
65
|
194 | 165 | 116,7 |
11 |
139,7 | 16 | 33 | 20 |
14 |
74,6 | 30,2 | 5,48 |
|
SUCFCX14 SUCFCX14-42 SUCFCX14-43 SUCFCX14-44 |
2-5/8 2-11/16 2-3/4 |
70
|
222 |
190 |
134,3 |
14 |
161,9 |
19 |
36 |
20 |
14 |
77,8 |
33,3 |
7,22 |
|
SUCFCX15 SUCFCX15-45 SUCFCX15-46 SUCFCX15-47 SUCFCX15-48 |
2-13/16 2-7/8 2-15/16 3 |
75
|
222 |
190 |
134,3 |
12 |
161,9 |
19 |
35 |
22 |
16 |
82,6 |
33,3 |
7,92 |
|
SUCFCX16 SUCFCX16-50 |
3-1/8 |
80 |
260 | 219 | 154,8 | 10 | 187,3 | 23 | 36 | 25 | 19 | 85,7 | 34,1 | 11,32 |
|
SUCFCX17 SUCFCX17-52 |
3-1/4 |
85 | 260 | 219 | 154,8 | 10 | 187,3 | 23 | 36 | 25 | 19 | 96 | 39,7 | 11,95 |
|
SUCFCX18 SUCFCX18-56 |
3-1/2 |
90 | 260 | 219 | 154,8 | 12 | 187,3 | 23 | 43 | 28 | 19 | 104 | 42,9 | 12,09 |
|
SUCFCX20 SUCFCX20-64 |
4 |
100 | 276 | 238 | 168,3 | 22 | 206,4 | 23 | 66 | 28 | 22 | 117,5 | 49,2 | 16,25 |
|
Номер детали блока азимута. |
Dia скважины |
Носить номер детали. |
Расквартировывать номер детали. |
Чистый вес (kg) |
|
| d | |||||
| в | mm | ||||
| SUCFCX05 SUCFCX05-14 SUCFCX05-15 SUCFCX05-16 |
7/8 15/16 1 |
25 | SUCX05 SUCX05-14 SUCX05-15 SUCX05-16 |
SFCX05 |
1,06 |
|
SUCFCX06 SUCFCX06-17 SUCFCX06-18 SUCFCX06-19 SUCFCX06-20 |
1-1/8 1-3/16 1-1/4 |
30 |
SUCX06 SUCX06-17 SUCX06-18 SUCX06-19 SUCX06-20 |
SFCX06 |
1,46 |
|
SUCFCX07 SUCFCX07-20 SUCFCX07-21 SUCFCX07-22 SUCFCX07-23 |
1-1/4 1-5/16 1-3/8 1-7/16 |
35 |
SUCX07 SUCX07-20 SUCX07-21 SUCX07-22 SUCX07-23 |
SFCX07 |
1,88 |
|
SUCFCX08 SUCFCX08-24 SUCFCX08-25 |
1-1/2 1-9/16 |
40 |
SUCX08 SUCX08-24 SUCX08-25 |
SFCX08 | 1,85 |
|
SUCFCX09 SUCFCX09-26 SUCFCX09-27 SUCFCX09-28 |
1-5/8 1-11/16 1-3/4 |
45 |
SUCX09 SUCX09-26 SUCX09-27 SUCX09-28 |
SFCX09 |
2,73 |
|
SUCFCX10 SUCFCX10-29 SUCFCX10-30 SUCFCX10-31 SUCFCX10-32 |
1-13/16 1-7/8 1-15/16 2 |
50 |
SUCX10 SUCX10-29 SUCX10-30 SUCX10-31 SUCX10-32 |
SFCX10 |
3,13 |
|
SUCFCX11 SUCFCX11-32 SUCFCX11-33 SUCFCX11-34 SUCFCX11-35 |
2 2-1/16 2-1/8 2-3/16 |
55 |
SUCX11 SUCX11-32 SUCX11-33 SUCX11-34 SUCX11-35 |
SFCX11 |
4,23 |
|
SUCFCX12 SUCFCX12-36 SUCFCX12-37 SUCFCX12-38 SUCFCX12-39 |
2-1/4 2-5/16 2-3/8 2-7/16 |
60 |
SUCX12 SUCX12-36 SUCX12-37 SUCX12-38 SUCX12-39 |
SFCX12 |
5,30 |
|
SUCFCX13 SUCFCX13-40 SUCFCX13-41 |
2-1/2 2-9/16 |
65 |
SUCX13 SUCX13-40 SUCX13-41 |
SFCX13 | 5,48 |
|
SUCFCX14 SUCFCX14-42 SUCFCX14-43 SUCFCX14-44 |
2-5/8 2-11/16 2-3/4 |
70 |
SUCX14 SUCX14-42 SUCX14-43 SUCX14-44 |
SFCX14 |
7,22 |
|
SUCFCX15 SUCFCX15-45 SUCFCX15-46 SUCFCX15-47 SUCFCX15-48 |
2-13/16 2-7/8 2-15/16 3 |
75 |
SUCX15 SUCX15-45 SUCX15-46 SUCX15-47 SUCX15-48 |
SFCX15 |
7,92 |
|
SUCFCX16 SUCFCX16-50 |
3-1/8 |
80 |
SUCX16 SUCX16-50 |
SFCX16 | 11,32 |
|
SUCFCX17 SUCFCX17-52 |
3-1/4 |
85 |
SUCX17 SUCX17-52 |
SFCX17 | 11,95 |
|
SUCFCX18 SUCFCX18-56 |
3-1/2 |
90 |
SUCX18 SUCX18-56 |
SFCX18 | 12,09 |
|
SUCFCX20 SUCFCX20-64 |
4 |
100 |
SUCX20 SUCX20-64 |
SFCX20 | 16,25 |
Примечания:
1. По требованию, доступный с пластиковой близкой крышкой (CC) или открытой крышкой (OC) на одном конце.
2. смазанный с промышленным нормальным тавотом или тавотом качества еды. Пожалуйста спросите детали при отправке дознания.




