СИД зеленого цвета разрешения графическое STN ST7567 точки модуля 128x64 COG LCD освещает контржурным светом
модуль COG 128x64 LCD, графическое описание LCD 128x64
SF12864-34 тип графический модуль COG LCD с размером 53,6 (l) x 28,0 VA (w). Дисплей модулей LCD COG SAEF (модуля LCD Обломок-на-стекла) monochrome снабжает тип графика в разрешении 128x32 320x240 и видов шрифта LCD COG включая размер 16x2, 20x2, 20x4, форматов 24x2 с матрицей точки 5x8.
Пакет COG предлагает потребление высококачественных с преимуществами легковеса, и низкой мощности. Также, он имеет в распоряжении добавить доску соединения для каждого деталя для изменения интерфейса от FPC к штырям или кабелям. Мы можем предложить разнообразие соединения штыря вне для того чтобы одеть ваши требования. Технология COG LCM очень соответствующая для применений которые требуют более компактным дисплеям пакета.
Определение Pin:
1 CS1B Штыри входного сигнала обломока отборные
2 /RES Когда /RES набор к «l», установки выступлены с инициативой.
3 A0 Оно определяет связан ли доступ с данными или командой.
A0= «H»: Показывает что сигналы на d [7:0] данные по дисплея.
A0= «L»: Показывает что сигналы на d [7:0] команда.
4 D6 (SCLK)
5 D7 (SDA)
6 VDD Поделенный с терминалом VDD электропитания MPU.
7 VSS Это терминал 0V соединенный с системой GND.
8 V0 Уровни напряжения смещения для управлять LCD
9 XV0 Отрицательный рабочий потенциал COM-водителей.
10 VG VG сила SEG-водителей
| Продукт: | модуль LCD COG 128x64 | Разрешение: | графики 128x64 |
|---|---|---|---|
| Тип LCD: | STN, положительный, Transmissive | Осветите цвет контржурным светом: | Зеленый цвет освещает контржурным светом |
| Рабочий потенциал: | 2,8 v | Оптика: | 6 часов |
| Конспектируйте тусклое.: | 65,0 (l) x 38,6 (w) x 4,9 (t) mm | Осматривая область: | 53,6 (l) x 28,0 (w) mm |
| Управлять методом: | 1/64 обязанность, 1/7 смещений | Работая Temp: | -10°C к +60°C |
| Секретный номер: | 10 штырей | Регулятор: | ST7567 или эквивалент |
| Интерфейс: | MCU | Соответствие: | ДОСТИГАЕМОСТЬ & RoHS уступчивые |
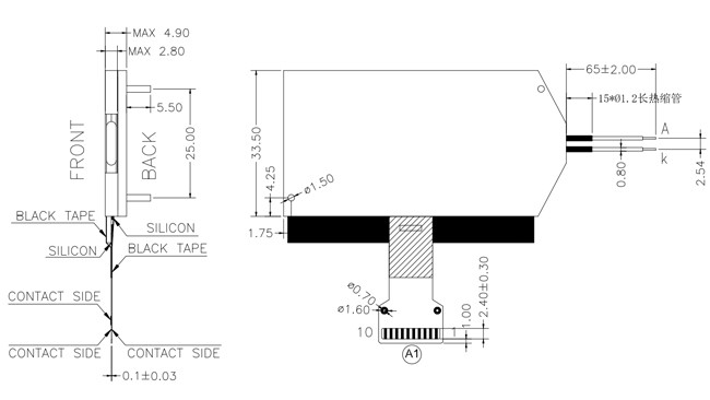
модуль COG 128x64 LCD, графический чертеж LCD 128x64


модуль COG 128x64 LCD, графическое изображение продукта LCD 128x64 реальное



ФАБРИКА И ОБЪЕКТЫ












КОНТАКТ
Добро пожаловать, который нужно запросить через ck@saef.com.cn
Ключевое слово поиска: модуль дисплея LCD COG 128x64, модуль дисплея LCD COG 128x64, ST7567 128x64 LCD, обломок 128x64 на стекле LCD, графическом 128x64, COG 128x64, STN LCD 128x64