Модуль COG 128X64 пикселя FSTN положительный 3.3v Введение продукта
ЖК-дисплей 128x64 COG является чрезвычайно широко используемым недорогим графическим точечным матричным модулем, благодаря его низкой стоимости, удобству использования и простоте программирования.SAEFDISPLAY предлагает более 1000 различных размеров (VA) стандартных продуктов для клиентов на выборПоложительный FSTN COG LCD может быть оснащен фонариками разных цветов, таких как желтый, зеленый, белый, оранжевый,на негативном дисплее 128x64 COG LCD, также могут быть добавлены белые, синие и другие цветные подсветки,который может значительно улучшить контраст и диапазон угла просмотра экрана.
Особенности
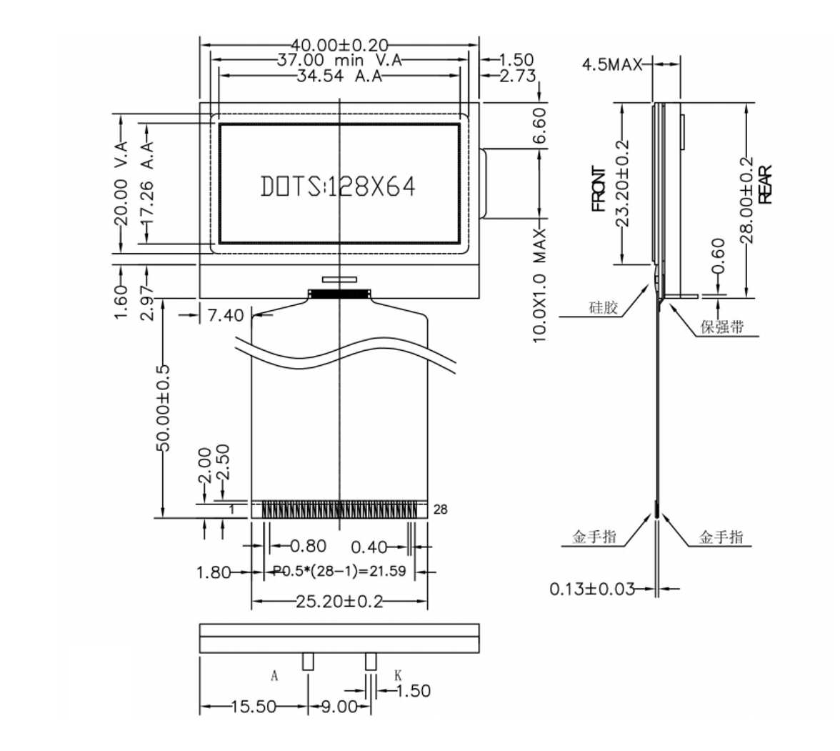
Механические характеристики
| ИТМ | Спецификации | ЕДИНСТВО |
| Размер модуля ((L×W×H) | 40.0L×28.0.0W×4.5 (макс.) H | мм |
| Область просмотра ((W×H) | 37.0х20.0 | мм |
| Эффективная зона | 128×64 | точка |
| Пункт Пич ((W×H) | 0.27х0.27 | мм |
| Размер точки ((W × H) | 0.245х0.245 | мм |
Рисунок

Определение фиксатора
| ИТМ | СИМБОЛ | Уровень | Функция |
| 1 | VDD | +3,3В | Энергоносители логики |
| 2 | C86 | H/L | H:6800 Параллельная L:8080 Параллельная |
| 3 | ВСС | 0V | Силовое заземление |
| 4 | V0 | — |
Подключите конденсатор между этим терминалом и терминалом VSS |
| 5 | V1 | — | |
| 6 | V2 | — | |
| 7 | V3 | — | |
| 8 | V4 | — | |
| 9 | CAP2- | — | Подключите конденсатор между этим терминалом и терминалом CAP2 + |
| 10 | CAP2+ | — | Подключите конденсатор между этим терминалом и терминалом CAP2- |
| 11 | CAP1- | — | Подключите конденсатор между этим терминалом и терминалом CAP1- |
| 12 | СРП1+ | Подключите конденсатор между этим терминалом и терминалом CAP1 + | |
| 13 | СРП3+ | — | Подключите конденсатор между этим терминалом и терминалом CAP1- |
| 14 | VOUT | Подключите конденсатор между этим терминалом и терминалом VSS или VDD | |
| 15 | ВСС | 0V | Силовое заземление |
|
16 ~ 23 |
D7 ~ D0 |
H/L |
8-битная двунаправленная шина данных |
|
24 |
/RD |
H/L |
8080 Параллельный: Автобус данных находится в состоянии вывода, когда этот сигнал 6800 Parallel:Это терминал ввода часов серии 6800. |
|
25 |
/WR |
H/L |
8080 Параллельно:Сигналы на шине данных закреплены на восходящем краю сигнала /WR. 6800 Паралле:H:Read L:Write |
| 26 | A0 | H/L |
H: указывает, что данные D0 - D7 отображаются. L: указывает, что данные D0 - D7 - это данные контроля. |
| 27 | /RES | H/L | Операция перезагрузки выполняется на уровне сигнала /RES |
| 28 | CS1 | Л | Сигнал выбора чипа |
Максимальный абсолютный предел
| Позиции | Символ | Минуты | Макс | Единица | Состояние |
| Напряжение питания | Вдд | 2.5 | 3.6 | V | Vss=0V |
| Входное напряжение | Вино | 0 | Вдд | V | Vss=0V |
| Операционная температура | Сверху | - 20 | +70 | °C | Нет конденсации |
| Температура хранения | Tst | -30 | +80 | °C | Нет конденсации |
Характеристики заднего освещения (цвет:белый)
| Положение | Символ | Минуточку. | Тип. | Макс. Макс. | Единица | Состояние |
| Напряжение вперед | Vf | 2.8 | 3.0 | 3.2 | V | IF=45mA Ta=25°C |
| Просветительность | Лв. | 280 | 350 | 420 | cd/m2 | |
| Количество светодиодов | - | - | 3 | - | Кусок | - |
| Режим подключения | П | - | Параллельно | - | - | - |
Устройства и сертификация

