дисплей SPI 128x64 LCD взаимодействует ST7567 цвет предпосылки COG STN LCM желтый зеленый
COG LCD 128x64, описание дисплея 128x64 SPI LCD
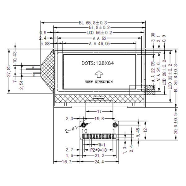
COG LCD SF12864-207B Monochrome дисплеев технологии 128x64 SAEF построен внутри с ST7567 IC которое поддерживает интерфейс SPI. Дисплей имеет размер плана 65,8 x 36,8 x 6,2 mm и размер VA 53,0 x 24,6 mm. Этот Monochrome дисплей может работать на температурах от -0℃ к +50℃; своя температурная амплитуда хранения от -10℃ к +60℃. Этот дисплей COG 128x64 LCD очень соответствующий для применений которые требуют более компактным дисплеям пакета.
Определение Pin:
Pin1, /CS, Обломок отборный, когда будет выбрано /CS = «l», обломок
Pin2, /RST, Когда выступлено с инициативой /RST = «l», установки
Pin3, A0, Отборные данные по регистра когда A0= «h», и инструкция когда A0= «l»
Pin4, SCL Серийный терминал входного сигнала часов
Pin5, SDA Серийный терминал ввода данных
Pin6, VDD Подача напряжения для цепи логики +3.3V
Pin7, GND Земля
Pin8, V0 LCD управляя напряжением тока для общих цепей на отрицательной рамке.
Pin9, XV0 LCD управляя напряжением тока для общих цепей на положительной рамке.
Pin10, VG LCD управляя напряжением тока для цепей этапа
| Продукт: | COG SPI LCD 128X64 | Разрешение: | Разрешение 128 x 64 точек |
|---|---|---|---|
| Стеклянный тип: | STN, позитв, Transflective | Оптика: | 6:00 |
| Интерфейс: | SPI | Конспектируйте тусклое.: | 65,8 x 36,8 x 6,2 Mm |
| Осматривая область: | 53,0 x 24,6 Mm | Тангаж пиксела: | 0,36 x 0,345 Mm |
| Работая Temp: | 0°C к +50°C | Секретный номер: | 10 штырей |
| Регулятор: | ST7567 | Режим привода: | 1/64 кругов обязаностей, 1/9 смещений |
| Соединитель: | COG+FPC | Соответствие: | ДОСТИГАЕМОСТЬ & RoHS уступчивые |
Модули графического дисплея SAEF в границах структур COB/COG. Monochrome графический дисплей LCD включенное 122x32 LCD, 128x64 LCD, 128x128 LCD, 160x32 LCD, 160x80 LCD, 160x128 LCD, 160x160 LCD, 192x32 LCD, 192x64 LCD, 240x64 LCD, 240x128 LCD, 240x160 LCD, 320x240 LCD. Модуль дисплея LCD SAEF monochrome графический доступен в STN/FSTN с СИД освещает контржурным светом с различными интерфейсами в 6800, SPI, 8080, I2C. Шрифт характера варианты английские, японский, Европа, кириллическое, древнееврейское, китайское традиционное, китайцы упростил, корейский etc.
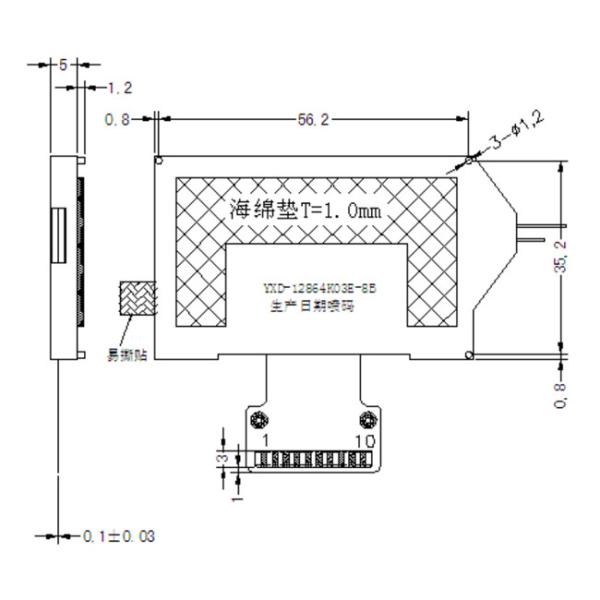
COG LCD 128x64, чертеж дисплея 128x64 SPI LCD


COG LCD 128x64, изображение продукта дисплея 128x64 SPI LCD реальное


ФАБРИКА И ОБЪЕКТЫ












КОНТАКТ
Добро пожаловать, который нужно запросить через ck@saef.com.cn
Ключевые слова поиска: 128x64 LCD, LCD 128x64, 2,42" LCD, 2,42 LCD, 2,42 дюйма 128x64 LCD, LCD 2,42", SPILCD128x64. 2,42 дисплей SPI, SPI 2,42", дисплей ST7567 LCD, ST7567 LCD 2,42", Monochrome 128x64 LCD, SPI 12864 LCD,