Кольцо выскальзывания канала сигнала 50GHz Rf роторное совместное для передавать сетноых-аналогов и цифровых сигналов
Описание высокочастотного роторного соединения HF0150-12
Соединение rf серии Senring HF0150-12 роторное singal кольцо выскальзывания канала (RF) высокочастотное, частота DC~50GHz, 2,4 (k) - соединитель f, скорость 100RPM работы. HF0150-12 используемый передавать сетноого-аналогов и цифровые сигналы, канал RF, можно подгонять для совмещения силы/сигналов.
Особенности высокочастотного роторного соединения HF0150-12
1. Он может передать высокоскоростные и высокочастотные сигналы (коаксиальный RF) без ошибок;
2. поддерживает 1 канал DC к 50GHz высокочастотной передаче (коаксиальный RF);
3. имеет превосходные вносимую потерю и коэффициент напряжения стоячей волны;
4. соответствующий для спутниковых антенн, корабл-установленных приборов, радиолокатора, стендов теста антенны микроволны и других полей.
Технические данные высокочастотного роторного соединения HF0150-12
| Тип соединителя | женщина 2.4mm Female-2.4mm (50Ω) |
| Частота | DC до 50 Ghz |
| VSWR (максимальное) | 1.3@DC до 10 Ghz 1.4@10 к 26.5GHz 1.7@26.5 к 50GHz |
| Зыбкость VSWR (максимальная) | DC 0.05@ до 26,5 GHz 0,2 @ 26,5 до 50 GHz |
| Пиковая сила (максимальная) | 3000W |
| Вращая скорость (максимальная) | 150RPM |
| Начинающ вращающий момент (максимальный) | 0.5N.cm |
| Аксиальная нагрузка соединителя (максимальная) | ±0.1N |
| Температура | -55 к +85℃ (температура работы) -55 к +85℃ (температура хранения) |
| Влажность | 95% (влажность работы) 85% (температура хранения) |
| Стиль | Я тип |
| Участок ВАУ (максимальная степень) | 1°@DC до 26,5 GHz 2°@26.5 до 50 GHz |
| Вносимая потеря | 0,30 DC dB @ до 10 GHz 0,50 dB @10 к 26.5GHz 0,90 dB @26.5 к 50GHz |
| Зыбкость вносимой потери | 0,1 dB |
| Средняя мощность (максимальная) | 50 GHz w @1 15 W @10GHz 5 W @26.5GHz 3W @50GHz |
| срок пригодности | > 10 миллионов для ref (зависит от условий труда) |
| Вращая вращающий момент (максимальный) | 0,5 N.cm |
| Радиальная нагрузка соединителя (максимальная) | ±0.1N |
| Ранг IP | Acc IP 40. EN 60529 |
| Изолируя материал | PTFE |
Описание номера детали

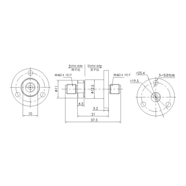
Чертеж

вопросы и ответы:
Q1: Какие технические данные должны быть обеспечены для нашей подгонянной модели кольца выскальзывания.
: Если вы хотите подгонять особенную модель кольца выскальзывания, то вам нужно обеспечить детали как ниже:
1. operatring скорость (RPM)
2. тип установки
3. размер плана
4. каналы (но. одиночного провода кроме кабеля)
5. расклассифицированные напряжение тока & настоящий для колец силы и колец сигнала
6. тип сигнала и связанный
параметры (очень важные)
7. рабочая температура h.IP (герметизируя требования)
Q2: Сколько времени ваша продукция время выполнения?
: Для этого нужны 7 до 15 дней для стандартных продуктов, 10 до 20 дней для простых подгонянных продуктов,
15 до 40 дней для сложных подгонянных продуктов.