Инерциальная измерительная единица MEMS Многоградусная Инерциальная измерительная единица IMU
Состав и функция Инерциальное измерительное устройство с несколькими степенями свободы 16480C представляет собой полную инерциальную систему с встроенным трехосевым гироскопом, трехосевым акселерометром,трехосевой магнитометр и датчик давления для измерения трехосевого угла параметров носителя, таких как скорость, ускорение, трехосновое магнитное поле, давление воздуха и т. д., выходные данные после компенсации ошибок (включая компенсацию температуры, компенсацию угла неправильного выравнивания установки,нелинейная компенсация, и т. д.) согласно протоколу связи через SPI или URAT

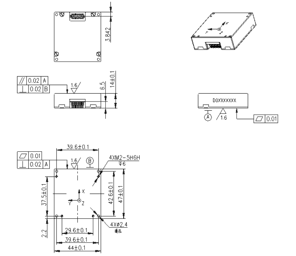
Структурные особенности и электрические соединения
На рисунке 2-1 показана схема инерциальной единицы измерения 16488C с несколькими степенями свободы.
