EMI инвертора входного сигнала 100A фильтрует трехфазный фильтр линии электропередач 480VAC
Технические данные:
| Деталь | Фильтр линии электропередач |
| Модель | Фильтр линии электропередач YX-G |
| Передающая функция | Низкопроходный |
| Тип пакета | Поверхностный держатель |
| Номинальная разбивочная частота | 10K-30MHZ |
| Вносимая потеря | 60~90dB |
| Входное комплексное сопротивление | 50Ω |
| Расклассифицированное напряжение тока | 380V/440V |
| Расклассифицированное течение | 1~1200A |
| Экологическая температура | 40°C |
| Диапазон температур | 25 / 085/21 |
| Равочая частота | 50/60HZ |
| Линия - - линия | 1450VDC |
| Линия, который нужно смолоть | 2250VDC |
| Максимальное течение утечки | 250VAC/60HZ 0.8mA Макс |
| MOQ | 5pcs |
| Цена | USD3.8~88.8/Meter |
| Время выполнения | будний день 5~20 |
Особенности:
-- Защита против взаимодействия напряжения тока
-- Использованный как главный фильтр входного сигнала, фильтры YX91 могут держать систему надежным мимо для того чтобы задержать помехи наводимого по линиям питания
-- Медные терминалы бара приложенные для версий над 250A для того чтобы держать побежку с соединением международного стандарта, легких и безопасных;
-- Подгонянные продукты согласно требованиям к клиента
Типичные применения:
1. Системы главного компьютера
2. Мотор сервопривода
3. UPS/SMPS
4. Промышленная радиотехническая аппаратура путем использование принципа преобразования частоты
Правило выставления:
YX 91 G1 - 3A - Q
| | | |
случай цепи настоящее соединение
Приводит:
| Модель нет. | Расклассифицированное течение @40°C |
Терминал Options* | Утечка настоящее 440V/50Hz | Электрическая схема | Расклассифицированное напряжение тока (v) | Равочая частота (Hz) | ||||||||||||||||||||||||||||||
| YX92G1-3A | 3A | Q | S | T |
<5> |
Fig.1 |
250/440V |
50/60Hz |
||||||||||||||||||||||||||||
| YX92G1-6A | 6A | Q | S | T | Fig.1 | |||||||||||||||||||||||||||||||
| YX92G1-10A | 10A | Q | S | T | Fig.1 | |||||||||||||||||||||||||||||||
| YX92G2-15A | 20A | Q | S | T | Fig.1 | |||||||||||||||||||||||||||||||
| YX92G2-20A | 30A | - | S | T | Fig.1 | |||||||||||||||||||||||||||||||
| YX92G2-25A | 30A | - | S | T | Fig.1 | |||||||||||||||||||||||||||||||
| YX92G2-30A | 40A | - | S | T | Fig.1 | |||||||||||||||||||||||||||||||
| YX92G3-35A | 40A | - | S | T |
<7> |
Fig.1 | ||||||||||||||||||||||||||||||
| YX92G5-50A | 50A | - | S | T | Fig.1 | |||||||||||||||||||||||||||||||
| YX92G5-60A | 60A | - | S | T | Fig.1 | |||||||||||||||||||||||||||||||
| YX92G5-80A | 80A | - | S | T |
<10> |
Fig.1 | ||||||||||||||||||||||||||||||
| YX92G4-100A | 100A | - | S | T | Fig.1 | |||||||||||||||||||||||||||||||
| YX92G6-150A | 150A | - | S | T |
<15> |
Fig.1 | ||||||||||||||||||||||||||||||
| YX92G6-200A | 200A | - | S | T | Fig.1 | |||||||||||||||||||||||||||||||
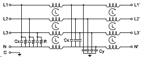
Электрическая схема:

Fig.1
Механический размер (блок: mm)
| Случай | B | C | D | E | F | G | H | Я | J | K | L | M | |||||||||||||||||||||||||||||||
| G1 | 72 | 65 | 39 | 75 | 85 | 35 | 22 | 45 | M4 | M4/M6 | |||||||||||||||||||||||||||||||||
| G2 | 98 | 80 | 40 | 95 | 105 | 50 | 20 | 4.5*6.5 | 50 | M4 | M4/M6 | ||||||||||||||||||||||||||||||||
| G3 | 120 | 100 | 50 | 115 | 130 | 50 | 28 | 4*6 | 60 | M4 | M4/M6 | ||||||||||||||||||||||||||||||||
| G4 | 200 | 127 | 80 | 150 | 170 | 62 | 49,5 | 6*9 | 117 | M6/M8 | M8/M10 | ||||||||||||||||||||||||||||||||
| G5 | 150 | 105 | 60 | 120 | 135 | 55 | 35 | 4*6 | 90 | M6 | M8 | ||||||||||||||||||||||||||||||||
| G6 | 260 | 170 | 100 | 196 | 220 | 85 | 65 | 8*12 | 172 | M8 | M10 | ||||||||||||||||||||||||||||||||
| Допуски | ±1 | ±1 | ±1 | ±0.15 | ±1 | ±0.5 | ±0.5 | ±0.15 | ±0.15 | ±0.15 | ±0.15 | ±2 | |||||||||||||||||||||||||||||||
Таблица вносимой потери (в системе 50ohm согласовывая IEC/CISPR No.17)
Единый режим -------- дифференциальный режим
6/10A 20A
40A 80A
100A