Расклассифицированные течения от 1 к фильтру EMI инвертора 1200A 250V 380V 440V для мотора сервопривода
Технические данные:
| Деталь | Фильтр линии электропередач |
| Модель | Фильтр линии электропередач YX-G |
| Передающая функция | Низкопроходный |
| Тип пакета | Поверхностный держатель |
| Номинальная разбивочная частота | 10K-30MHZ |
| Вносимая потеря | 60~90dB |
| Входное комплексное сопротивление | 50Ω |
| Расклассифицированное напряжение тока | 380V/440V |
| Расклассифицированное течение | 1~1200A |
| Экологическая температура | 40°C |
| Диапазон температур | 25 / 085/21 |
| Равочая частота | 50/60HZ |
| Линия - - линия | 1450VDC |
| Линия, который нужно смолоть | 2250VDC |
| Максимальное течение утечки | 250VAC/60HZ 0.8mA Макс |
| MOQ | 5pcs |
| Цена | USD3.8~88.8/Meter |
| Время выполнения | будний день 5~20 |
Особенности:
-- С дизайном 3 этапов фильтруя, особенные материалы могут гарантировать высокоимпедансные характеристики в широком диапазоне изменения частот;
-- Уверьте ровную деятельность других электронных устройств в близости, и разрешите проблемы взаимодействия инвертора;
-- Медные терминалы бара приложенные для версий над 250A для того чтобы держать побежку с соединением международного стандарта, легких и безопасных;
-- Подгонянные продукты согласно требованиям к клиента
Типичные применения:
1. Соответствующий для большинств брендов инверторов
2. Мотор сервопривода
3. UPS/SMPS
4. Промышленная радиотехническая аппаратура путем использование принципа преобразования частоты
Правило выставления:
YX 84 G1 - 3A - Q
| | | |
случай цепи настоящее соединение
Приводит:
| Модель нет. | Расклассифицированное течение @40°C |
Терминал Options* |
Утечка настоящее 440V/50Hz | Электрическая схема | Расклассифицированное напряжение тока (v) | Равочая частота (Hz) | ||||||||||||||||||||||||||||||
| YX84G1-3A | 3A | - | S | T |
<5> |
Fig.1 |
250/440V |
50/60Hz |
||||||||||||||||||||||||||||
| YX84G2-6A | 6A | - | S | T | Fig.1 | |||||||||||||||||||||||||||||||
| YX84G2-10A | 10A | - | S | T | Fig.1 | |||||||||||||||||||||||||||||||
| YX84G2-15A | 15A | - | S | T | Fig.1 | |||||||||||||||||||||||||||||||
| YX84G3-20A | 20A | - | S | T | Fig.1 | |||||||||||||||||||||||||||||||
| YX84G3-25A | 25A | - | S | T | Fig.1 | |||||||||||||||||||||||||||||||
| YX84G3-30A | 30A | - | S | T | Fig.1 | |||||||||||||||||||||||||||||||
| YX84G5-30A | 30A | - | S | T | Fig.1 | |||||||||||||||||||||||||||||||
| YX84G5-40A | 40A | - | S | T | Fig.1 | |||||||||||||||||||||||||||||||
| YX84G5-50A | 50A | - | S | T | Fig.1 | |||||||||||||||||||||||||||||||
| YX84G4-50A | 50A | - | S | T | <7> | Fig.1 | ||||||||||||||||||||||||||||||
| YX84G4-60A | 60A | - | S | T | Fig.1 | |||||||||||||||||||||||||||||||
| YX84G4-80A | 80A | - | S | T | Fig.1 | |||||||||||||||||||||||||||||||
| YX84G6-100A | 100A | - | S | T |
<10> |
Fig.1 | ||||||||||||||||||||||||||||||
| YX84G6-120A | 120A | - | S | T | Fig.1 | |||||||||||||||||||||||||||||||
| YX84G6-150A | 150A | - | S | T | Fig.1 | |||||||||||||||||||||||||||||||
| YX84G6-180A | 180A | - | S | T | Fig.1 | |||||||||||||||||||||||||||||||
| YX84G6-200A | 200A | - | S | T | Fig.1 | |||||||||||||||||||||||||||||||
| YX84G8-300A | 300A | B | - | T |
<20> |
Fig.1 | ||||||||||||||||||||||||||||||
| YX84G8-400A | 400A | B | - | T | Fig.1 | |||||||||||||||||||||||||||||||
| YX84G8-630A | 630A | B | - | T | Fig.1 | |||||||||||||||||||||||||||||||
| YX84G9-800A | 800A | B | - | T | Fig.1 | |||||||||||||||||||||||||||||||
| YX83G9-1000A | 1000A | B | - | T | Fig.1 | |||||||||||||||||||||||||||||||
| YX83G9-1200A | 1200A | B | - | T | Fig.1 | |||||||||||||||||||||||||||||||
T: Терминальный блок
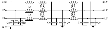
Электрическая схема:

Fig.1
Механический размер (блок: mm)
| Случай | G1 | G2 | G3 | G5 | G6 | Большая Восьмерка | G9 | Допуски | |||||||||||||||||||
| 72 | 98 | 120 | 150 | 260 | 290 | 350 | ±1 | ||||||||||||||||||||
| B | 65 | 80 | 100 | 105 | 170 | 170 | 205 | ±1 | |||||||||||||||||||
| C | 39 | 40 | 50 | 60 | 100 | 155 | 162 | ±1 | |||||||||||||||||||
| D | 75 | 95 | 115 | 120 | 196 | 195 | 230 | ±0.15 | |||||||||||||||||||
| E | 85 | 105 | 130 | 135 | 220 | 220 | 255 | ±1 | |||||||||||||||||||
| F | 35 | 50 | 50 | 55 | 85 | 100 | 124 | ±0.5 | |||||||||||||||||||
| G | 22 | 20 | 28 | 35 | 65 | 75 | 67 | ±0.5 | |||||||||||||||||||
| H | 4.5*6.5 | 4*6 | 4*6 | 8*12 | 12 | 12 | ±0.15 | ||||||||||||||||||||
| Я | 45 | 50 | 60 | 90 | 172 | 228 | 290 | ±0.15 | |||||||||||||||||||
| J | M4 | M4 | M4 | M4/M6 | M8 | M8 | M8 | ||||||||||||||||||||
| K | M4/M6 | M4/M6 | M4/M6 | M6/M8 | M10 | 20 | 30 | ±0.15 | |||||||||||||||||||
| L | 8 | 8 | ±0.15 | ||||||||||||||||||||||||
| M | 380 | 448 | ±2 | ||||||||||||||||||||||||
| N | |||||||||||||||||||||||||||
Таблица вносимой потери (в системе 50ohm согласовывая IEC/CISPR No.17)
Единый режим -------- дифференциальный режим
6/10A 20A
30A 50A
100A 200A
