фильтр силы ДК фильтра ЭМИ инвертора 25А электрический пассивный для инвертора ПВ солнечного
Технические данные:
| Деталь | Фильтр линии электропередач |
| Модель | Фильтр линии электропередач ИС-Г |
| Передающая функция | Низкопроходный |
| Тип пакета | Поверхностный держатель |
| Номинальная разбивочная частота | 10К-30МХЗ |
| Вносимая потеря | 60~90дБ |
| Входное комплексное сопротивление | 50Ω |
| Расклассифицированное напряжение тока | 380В/440В |
| Расклассифицированное течение | 1~1200А |
| Экологическая температура | 40°К |
| Диапазон температур | 25 / 085/21 |
| Равочая частота | 50/60ХЗ |
| Линия - - линия | 1450ВДК |
| Линия к земле | 2250ВДК |
| Максимальное течение утечки | 250ВАК/60ХЗ 0.8мА Макс |
| МОК | 5пкс |
| Цена | УСД3.8~88.8/Метер |
| Время выполнения | будний день 5~20 |
Особенности:
-- Защита против взаимодействия напряжения тока
-- Использованный как главный фильтр входного сигнала, фильтры ИС91 могут держать систему надежным мимо для того чтобы задержать помехи наводимого по линиям питания
-- Медные терминалы бара приложенные для версий над 250А для того чтобы держать побежку с соединением международного стандарта, легких и безопасных;
-- Подгонянные продукты согласно требованиям к клиента
Типичные применения:
1. Системы главного компьютера
2. Мотор сервопривода
3. УПС/СМПС
4. Промышленная радиотехническая аппаратура путем использование принципа преобразования частоты
Правило выставления:
ИС 91 Г1 - 3А - к
| | | |
соединение течения случая цепи
Приводит:
| Модель нет. | Расклассифицированное течение @40°К |
Терминальное Оптионс* | Утечка настоящее 440В/50Хз | Электрическая схема | Расклассифицированное напряжение тока (в) | Равочая частота (Хз) | ||||||||||||||||||||||||||||||
| ИС91Г1-3А | 3А | К | С | Т |
<5> |
Фиг.1 |
250/440В |
50/60Хз |
||||||||||||||||||||||||||||
| ИС91Г1-6А | 6А | К | С | Т | Фиг.1 | |||||||||||||||||||||||||||||||
| ИС91Г1-10А | 10А | К | С | Т | Фиг.1 | |||||||||||||||||||||||||||||||
| ИС91Г2-15А | 20А | К | С | Т | Фиг.1 | |||||||||||||||||||||||||||||||
| ИС91Г2-20А | 30А | - | С | Т | Фиг.1 | |||||||||||||||||||||||||||||||
| ИС91Г2-25А | 30А | - | С | Т | Фиг.1 | |||||||||||||||||||||||||||||||
| ИС91Г2-30А | 40А | - | С | Т | Фиг.1 | |||||||||||||||||||||||||||||||
| ИС91Г3-35А | 40А | - | С | Т |
<7> |
Фиг.1 | ||||||||||||||||||||||||||||||
| ИС91Г5-50А | 50А | - | С | Т | Фиг.1 | |||||||||||||||||||||||||||||||
| ИС91Г5-60А | 60А | - | С | Т | Фиг.1 | |||||||||||||||||||||||||||||||
| ИС91Г5-80А | 80А | - | С | Т |
<10> |
Фиг.1 | ||||||||||||||||||||||||||||||
| ИС91Г4-100А | 100А | - | С | Т | Фиг.1 | |||||||||||||||||||||||||||||||
| ИС91Г6-150А | 150А | - | С | Т |
<15> |
Фиг.1 | ||||||||||||||||||||||||||||||
| ИС91Г6-200А | 200А | - | С | Т | Фиг.1 | |||||||||||||||||||||||||||||||
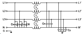
Электрическая схема:

Фиг.1
Механический размер (блок: мм)
| Случай | А | Б | К | Д | Э | Ф | Г | Х | И | Дж | К | Л | М | ||||||||||||||||||||||||||||||
| Г1 | 72 | 65 | 39 | 75 | 85 | 35 | 22 | 45 | М4 | М4/М6 | |||||||||||||||||||||||||||||||||
| Г2 | 98 | 80 | 40 | 95 | 105 | 50 | 20 | 4.5*6.5 | 50 | М4 | М4/М6 | ||||||||||||||||||||||||||||||||
| Г3 | 120 | 100 | 50 | 115 | 130 | 50 | 28 | 4*6 | 60 | М4 | М4/М6 | ||||||||||||||||||||||||||||||||
| Г4 | 200 | 127 | 80 | 150 | 170 | 62 | 49,5 | 6*9 | 117 | М6/М8 | М8/М10 | ||||||||||||||||||||||||||||||||
| Г5 | 150 | 105 | 60 | 120 | 135 | 55 | 35 | 4*6 | 90 | М6 | М8 | ||||||||||||||||||||||||||||||||
| Г6 | 260 | 170 | 100 | 196 | 220 | 85 | 65 | 8*12 | 172 | М8 | М10 | ||||||||||||||||||||||||||||||||
| Допуски | ±1 | ±1 | ±1 | ±0.15 | ±1 | ±0.5 | ±0.5 | ±0.15 | ±0.15 | ±0.15 | ±0.15 | ±2 | |||||||||||||||||||||||||||||||
Таблица вносимой потери (в системе 50охм согласовывая ИЭК/КИСПР Но.17)
Единый режим -------- дифференциальный режим
6/10А 20А
40А 80А
100А