Инвертор промышленного класса EMI фильтр высоковольтный трехфазный фильтр питания
Введение OФ ТТри РФасИльтер:
Трехфазный фильтр - это своего рода EMI-фильтр.Он часто используется вErvo двигатель, драйвер с переменной частотой иПринцип его работы заключается в том, чтобы позволить фундаментальной частоте трехфазного источника питания проходить, при этом ослабляя или блокируя высокочастотные сигналы.
ОсобенностиТрехфазный фильтр:
1Используемые в качестве основного фильтра ввода, фильтры YX92 могут поддерживать надежность системы, сдерживая проводящие помехи.
2.Высокая емкость тока: трехфазные фильтры предназначены для обработки высоких уровней тока, обычно встречающихся в трехфазных системах питания.
3.Высокое затухание: трехфазные фильтры предназначены для обеспечения высокого уровня затухания нежелательных высокочастотных сигналов.при этом позволяя фундаментальной частоте трехфазной мощности проходить через.
Типичные применения:
1. Компьютерные системы центральных компьютеров
2Сервомотор
3. UPS/SMPS
4Промышленное электронное оборудование с использованием принципа преобразования частоты
YX92G6-150A-T Спецификация:
| Положение | Трехфазный EMI фильтр | Номинальный ток | 1А~200А |
| Модель | YB21D4-15A-Q | Номинальное напряжение | 250 V/440 V |
| Частота работы | 50/60 Гц | От линии к линии | 1450VDC |
| Выходной модуль | Терминальный блок | Линия к земле | 2250VDC |
| Функция передачи | Низкий проход | Ток утечки | 115VAC/50HZ 0,4mA максимум 250VAC/60HZ Максимальная мощность 0,8mA |
| Тип упаковки | Поверхностный монтаж | Температура окружающей среды | 40°C |
| Номинальная частота центра | 150K-30MHZ | Импеданс ввода | 50Ω |
| Потеря вставки | 30 ~ 100 дБ | Продолжительность | 5 ~ 15 рабочих дней |
YX92G6-150A-T Картина:

Правила выдвижения кандидатов:
YX----92-------G2--------150A-------------------------T
¦ ¦ ¦ ¦
соединение тока корпуса цепи
Таблетки:
| Модель No. | Номинальный ток @40°C |
Варианты терминала* | Ток утечки 440V/50Hz | Электрическая схема | Номинальное напряжение ((V) | Рабочая частота ((Hz) | ||||||||||||||||||||||||||||||
| YX92G1-3A | 3А | Q. | S | T |
< 5,0 мА |
Фиг.1 |
250/440 В |
50/60 Гц |
||||||||||||||||||||||||||||
| YX92G1-6A | 6А | Q. | S | T | Фиг.1 | |||||||||||||||||||||||||||||||
| YX92G1-10A | 10А | Q. | S | T | Фиг.1 | |||||||||||||||||||||||||||||||
| YX92G2-15A | 15А | Q. | S | T | Фиг.1 | |||||||||||||||||||||||||||||||
| YX92G2-20A | 20А | - | S | T | Фиг.1 | |||||||||||||||||||||||||||||||
| YX92G2-25A | 25А | - | S | T | Фиг.1 | |||||||||||||||||||||||||||||||
| YX92G2-30A | 30А | - | S | T | Фиг.1 | |||||||||||||||||||||||||||||||
| YX92G3-35A | 35А | - | S | T |
< 7,0 мА |
Фиг.1 | ||||||||||||||||||||||||||||||
| YX92G5-50A | 50А | - | S | T | Фиг.1 | |||||||||||||||||||||||||||||||
| YX92G5-60A | 60А | - | S | T | Фиг.1 | |||||||||||||||||||||||||||||||
| YX92G5-80A | 80А | - | S | T |
< 10,0 мА |
Фиг.1 | ||||||||||||||||||||||||||||||
| YX92G4-100A | 100А | - | S | T | Фиг.1 | |||||||||||||||||||||||||||||||
| YX92G6-150A | 150A | - | S | T |
< 15,0 мА |
Фиг.1 | ||||||||||||||||||||||||||||||
| YX92G6-200A | 200А | - | S | T | Фиг.1 | |||||||||||||||||||||||||||||||
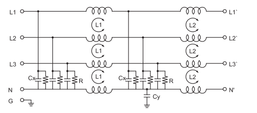
Электрическая схема:

Фиг.1
Механические размеры (Единица: мм)


Потеря вставки (в системе 50 Ом согласно IEC/CISPR No.17)
Общий режим -------- Дифференциальный режим
6/10А 20А
40A 80A
100А