Вся нержавеющая сталь займет setscrew блока азимута запирая широкий слот SUCST208
SUCST208, полностью слот нержавеющей стали широкий займут блок. Setscrew запирая с B типа уплотнением. Снабжения жилищем построены с нержавеющей сталью 304. Эти снабжения жилищем вообще большинств эффективное решение для сильно въедливых применений. Они не испытывают такие же шелушиться, трескать, деформацию или вопросы обесцвечивания связанные с другими коррозионностойкими расквартировывая материалами. Они виртуально без изменений царапинами и могут легко отрегулировать значительные радиальные нагрузки.
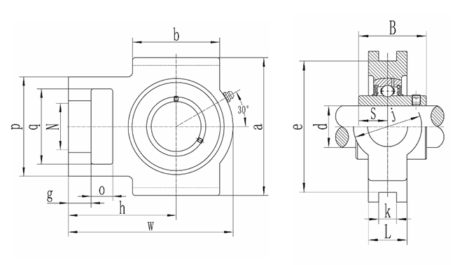
Спецификации:
Описание |
Займите блок |
| Жилищное строительство | Займите |
| Запирать стиль | Запирать setscrew |
| Носить стиль | Полностью слот нержавеющей стали широкий |
| Другие особенности | Одиночная строка | Сферически | Нормальная обязанность | Широкая внутренняя гонка | Широкий слот |
| Дюйм - метрический | Метрический |
| Займите материал блока | Вся нержавеющая сталь |
Вся нержавеющая сталь займет setscrew блока азимута запирая спецификации серии широкого слота SUCST2:
|
Номер детали блока азимута. |
Dia скважины | Размер (mm) | |||||||||||||||
| d | w | h | g | b | N | q | o | a | e | p | j | k | L | B | S | ||
| в | mm | ||||||||||||||||
|
SUCST201 SUCST201-8 SUCST202 SUCST202-10 SUCST203 SUCST203-11 |
1/2
5/8
11/16 |
12
15
17
|
94 | 61 | 10 | 51 | 19 | 32 | 16 | 89 | 76 | 51 | 32 | 13,5 | 21 | 31,0 | 12,7 |
|
SUCST204 SUCST204-12 |
3/4 |
20 | 94 | 61 | 10 | 51 | 19 | 32 | 16 | 89 | 76 | 51 | 32 | 13,5 | 21 | 31,0 | 12,7 |
|
SUCST205 SUCST205-14 SUCST205-15 SUCST205-16 |
7/8 15/16 1 |
25 | 97 | 62 | 10 | 51 | 19 | 32 | 16 | 89 | 76 | 51 | 32 | 13,5 | 24 | 34,1 | 14,3 |
|
SUCST206 SUCST206-17 SUCST206-18 SUCST206-19 SUCST206-20 |
1-1/16 1-1/8 1-3/16 1-1/4 |
30 |
113 |
70 |
11 |
57 |
22 |
37 |
16 |
102 |
89 |
56 |
37 |
13,5 |
28 |
38,1 |
15,9 |
|
SUCST207 SUCST207-20 SUCST207-21 SUCST207-22 SUCST207-23 |
1-1/4 1-5/16 1-3/8 1-7/16 |
35 |
130 |
78 |
14 |
64 |
22 |
37 |
16 |
102 |
89 |
64 |
37 |
13,5 |
30 |
42,9 |
17,5 |
|
SUCST208 SUCST208-24 SUCST208-25 |
1-1/2 1-9/16 |
40 |
144 |
88 |
17 |
83 |
29 |
49 |
19 |
114 |
102 |
83 |
49 |
17,5 |
33 |
49,2 |
19,0 |
|
SUCST209 SUCST209-26 SUCST209-27 SUCST209-28 |
1-5/8 1-11/16 1-3/4 |
45 | 145 | 87 | 17 | 83 | 29 | 49 | 19 | 117 | 102 | 83 | 49 | 17,5 | 35 | 49,2 | 19,0 |
|
SUCST210 SUCST210-29 SUCST210-30 SUCST210-31 SUCST210-32 |
1-13/16 1-7/8 1-15/16 2 |
50 | 150 | 90 | 17 | 86 | 29 | 49 | 19 | 117 | 102 | 83 | 49 | 17,5 | 37 | 51,6 | 19,0 |
|
SUCST211
SUCST211-32 SUCST211-33 SUCST211-34 SUCST211-35 |
2 2-1/16 2-1/8 2-3/16 |
55 | 171 | 106 | 19 | 95 | 35 | 64 | 25 | 145 | 130 | 102 | 64 | 27 | 38 | 55,6 | 22,2 |
|
SUCST212 SUCST212-36 SUCST212-37 SUCST212-38 SUCST212-39 |
2-1/4 2-5/16 2-3/8 2-7/16 |
60 |
194 |
119 |
19 |
102 |
35 |
64 |
32 |
145 |
130 |
102 |
64 |
27 |
42 |
65,1 |
25,4 |
|
SUCST213 SUCST213-40 SUCST213-41 |
2-1/2 2-9/16 |
65 |
223 |
137 |
21 |
120 |
41 |
70 |
32 |
167 |
151 |
111 |
70 |
27 |
44 |
65,1 |
25,4 |
|
Номер детали блока азимута. |
d | Носить номер детали. | Расквартировывать номер детали. | Чистый вес (kg) | |
| в | mm | ||||
|
SUCST201 SUCST201-8 SUCST202 SUCST202-10 SUCST203 SUCST203-11 |
1/2
5/8
11/16 |
12
15
17
|
SUC201 SUC201-8 SUC202 SUC202-10 SUC203 SUC203-11 |
SST203 | 0,93 |
|
SUCST204 SUCST204-12 |
3/4 |
20 |
SUC204 SUC204-12 |
SST204 | 0,89 |
|
SUCST205 SUCST205-14 SUCST205-15 SUCST205-16 |
7/8 15/16 1 |
25 |
SUC205 SUC205-14 SUC205-15 SUC205-16 |
SST205 | 0,99 |
|
SUCST206 SUCST206-17 SUCST206-18 SUCST206-19 SUCST206-20 |
1-1/16 1-1/8 1-3/16 1-1/4 |
30 |
SUC206 SUC206-17 SUC206-18 SUC206-19 SUC206-20 |
SST206 | 1,46 |
|
SUCST207 SUCST207-20 SUCST207-21 SUCST207-22 SUCST207-23 |
1-1/4 1-5/16 1-3/8 1-7/16 |
35 |
SUC207 SUC207-20 SUC207-21 SUC207-22 SUC207-23 |
SST207 | 1,81 |
|
SUCST208 SUCST208-24 SUCST208-25 |
1-1/2 1-9/16 |
40 |
SUC208 SUC208-24 SUC208-25 |
SST208 | 2,68 |
|
SUCST209 SUCST209-26 SUCST209-27 SUCST209-28 |
1-5/8 1-11/16 1-3/4 |
45 |
SUC209 SUC209-26 SUC209-27 SUC209-28 |
SST209 | 2,99 |
|
SUCST210 SUCST210-29 SUCST210-30 SUCST210-31 SUCST210-32 |
1-13/16 1-7/8 1-15/16 2 |
50 |
SUC210 SUC210-29 SUC210-30 SUC210-31 SUC210-32 |
SST210 | 2,98 |
|
SUCST211
SUCST211-32 SUCST211-33 SUCST211-34 SUCST211-35 |
2 2-1/16 2-1/8 2-3/16 |
55 |
SUC211 SUC211-32 SUC211-33 SUC211-34 SUC211-35 |
SST211 | 4,52 |
|
SUCST212 SUCST212-36 SUCST212-37 SUCST212-38 SUCST212-39 |
2-1/4 2-5/16 2-3/8 2-7/16 |
60 |
SUC212 SUC212-36 SUC212-37 SUC212-38 SUC212-39 |
SST212 | 5,57 |
|
SUCST213 SUCST213-40 SUCST213-41 |
2-1/2 2-9/16 |
65 |
SUC213 SUC213-40 SUC213-41 |
SST213 | 7,60 |





| 11/16 |